Source: Lotus West
Author: Jim Fraser
Date:
Title: INTERNAL EUROPA RADIO ANTENNA
LW# 54EL061
Most of us have seen broken radio antennas on cars and are therefore reluctant to put one on a Lotus. Maybe this well help. Pick up a universal 3-section telescoping antenna and a 1/4" I.D. rubber grommet. Drill a hole larger than the diameter of the base section and smaller than the flange diameter of the grommet through the body 1-7/8" from the base of the windshield rubber molding in line with the right edge of the front hood. This enables the antenna to be mounted on the inside of the car on the floorboard tucked away in a corner out of the way. It'll probably be necessary to make a base for the antenna, as its collapsed length will probably be a little shorter than the distance from the floorboard to the outside body surface. The base I made left less than 3" protruding above the body in its collapsed position.



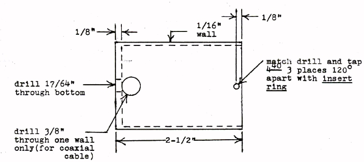
Assemble as follows. Press insert ring into body until flush, drill and tap the three 4-40 holes and insert 1/4" or 3/8" long set screws with Loctite. With the antenna protruding through the body, stand the antenna on the base and position upright. Without moving base, remove antenna, reach down through 7/8" hole and transfer the 17/64" hole through the floorboard. Screw base to floorboard with a ¼-20 hex head. Cap screw positioning the 3/8" hole toward the front of the car. Feed the coaxial cable down through the 7/8" hole and out the 3/8" hole. Finally, place the antenna base on the base and screw down tight. Note: if the press fit of the insert ring into the body is tight enough, the set screws may be eliminated.
Material
1. One piece 1-3/4" Ø x 2-1/2" long aluminum bar
2. One piece 1-5/8" Ø x ¼ " long aluminum bar
3 Three each of 4-40 x ¼ " or 3/8" long set screws
4. One each ¼-20 x 1" hex head cap screw, ¼-20 nut and ¼" split lock washer