LOTUS EUROPA S1/S2 WORKSHOP MANUAL

Section B -- BODY UNIT

Lotus Europa Central -- Tech Specifications -- S1/S2 Workshop Home -- Manuals Home -- Feedback
ProceduresIllustrations
Sec View Online
B1 General Description
B2 Mfg. Process
B3 Accident Repairs
B4 Superficial Repairs
B5 Body Care
B6 Paint Procedure
B7 Bonnet (Hood)
B8 Boot (Trunk)
B9 Door Trim
B10 Door Lock Remote
B11 Door Lock
B12 Lock Striker
B13 Door Window Motor
B14 Door Windows
B15 Rmvbl. Windows
B16 Exterior Door Handle
B17 Doors
Sec View Online
B18 Sun Visors
B19 Facia Panel
B20 Glove Box
B21 Windscreen
B22 Rear Screen
B23 Headlining
B24 Front Seats
B25 Backbone Trim
B26 Safety Belts
B27 Dust Shields
B28 Bumpers
B29 Air Intake
B30 Badges
B31 Body Mounting
B32 Water Proofing
B33 Addl. Information
   
Fig View Online
1 Body Mounting Points
2 Body Components
3 Body Locks & Hinges
4 Basic Bonds/Joints
5 Box Sec. Over Fracture
6 Body Repair Sections
7 Body Repair Sections
8 Bobbins
9 Bonding in Bobbins
10 Rmt. Ctrl. Surround
11 S1 Door Locks
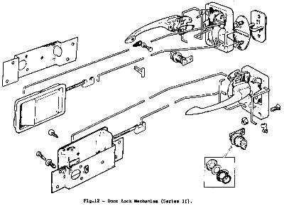
12 S2 Door Locks
13 Rmv. Window Motor
14 Door/Window Mech.
15 Removing Door Hinge
16 Brightwork Tool
17 Seat Adjustment
Fig View Online
18 Applying Glass Primer
19 Inserting Butyl Strip
20 Window Spt. Blocks
21 Butyl Strip Locatn.
22 Int. Finishing Strip
23 Door Hinge Assy.
   
   
   
   
   
   
   
   
   
   
   
Click here to open a new window containing a searchable PDF copy. (2,800K)

B.1 - GENERAL DESCRIPTION - Section Menu

    The basis of the vehicle comprises a one piece moulded glass fibre reinforced plastic (G.F.R.P.) body shell which straddles a steel backbone chassis and is attached to it at the points illustrated.

    Whilst the chassis carries all the major structural loads, the body is used to carry or transfer the remainder and when the body and chassis are correctly mounted, each contributes to the strength and torsional stiffness of the other.

    Construction of the body is generally in laminated 2.4 oz. (68.54 grms) chopped strand mat. A high quality Polyester is used for the layup of all components giving a panel thickness of approx: .093 in. (2.30 mm). In the more highly stressed areas e.g. areas around side frames, metal inserts - especially major structural attachment points, seat mountings, floor areas and wheel arch lips - the thickness is increased up to .150 in. (3.80mm). For replacement laminates or repairs any high quality commercial grade polyester can be used although it should be a type having a reasonably high heat distortion point (see Service Parts List).

    The body shell is laminated basically as an upper and lower moulding with an additional front undertray chin piece which incorporates the extreme front chassis mounting points.

    The nature of the design of all body panel joints is such that there are no critical or highly stressed bonds or joints in the body shell itself and the major problem in creating all wheelarch and bulkhead joints revolves around the need to obtain a perfectly waterproof or gasproof Joint as the case may be.

B.2 - MANUFACTURING PROCESS - Section Menu

    General.

      Construction of the body shell is achieved by the use of two main moulds. The upper mould which contains the basic shape and the lower which contains the undertray and wheel arches, etc. These two moulds are brought together in the process of the construction of the body unit forming in effect a one piece moulding by lamination at the seams. The rear bulkhead is flbreboard and is bonded into the body shell.

      The bonding or jointing of all panels and sections is in all cases provided by an adhesive or glueing action, and for this reason the efficiency of the bond is dependent on the following factors.

    Surface Preparation.

      Polyester laminates (notably the "rough side") cure with a "greasy" surface usually caused by air inhibition of the resin. This is best removed by light sanding of the greatest possible area and thereafter swabbing off the dust with acetone. It is of no advantage to rough up with a toothed tool, leaving the surface covered with fibre stubs as these will have no tensile strength at all and combined with loose dust can actually act as a barrier between the bonding resin and the laminate.

      When bonding to a moulded surface great care must be taken to remove all parting agents, e.g. wax or P.V.A. (Poly-vinyl-alcohol).

    Bonding Mix.

      Care has to be taken to see that the percentages of curing agents or hardeners are very carefully calculated. If this is not done the bonding material may remain elastic or become too brittle, resulting in an inferior bond.

    Stressed Bonds.

      Stressed bonds are invariably in the form of taped joints where one of the intersecting panels is turned forming a reinforcement and successive layers of woven tape are laminated into the angle where the two panels meet.

      It therefore follows that these require more critical attention.

    Wet Bonded Joints.

      This system is employed on doors, boot lid and plenum chamber, the two or more joints being clamped together while laminates are still wet.

    Click For Full Size Image

    Click For Full Size Image

    Click For Full Size Image

B.3 - ACCIDENT REPAIRS. - Section Menu

    Assessing Accident Damage

      All damage must be classed as structural, However, inside this broad classification the damaged area can be further defined as:
      1. High stressed
      2. Moderate stressed
      3. Low stressed
      and on that definition depends the original construction and therefore the repair method to be employed.

      As a general rule there should be a bond wherever two panels touch, or wherever they close on important points. It is usually possible to check these bonds both visually and physically for fractures or breaks. Ascertain the cause of damage and the direction of impact and examine all panels or bonds which may have been effected. A front end impact for example may possibly cause the bonds at the bulkhead to split without the defect being normally visible and so on.

      If necessary the metal on other components should be removed to facilitate examination as to the extent of damage sustained.

      Before the assessment can be completed it is essential to decide on the repair method to be followed, the sizes of replacement panels to be ordered, etc. as the detailed instructions should be carefully followed.

      The extent of the damage (and size of replacement panels) should take into account surface crazing.

      Fire damage is the most difficult to assess but generally only the obviously burnt or charred sections will need to be replaced or reinforced.

      The pedal mounting areas are heavily loaded and since failure of these in service could be fatal, they should be carefully examined if they have been close to the fire source.

    Basic Bonds and Joints

    1. The old laminates should be tapered off for 3 to 4 in. (7.6 to 10.2 cm) on either side of the fracture line, a reinforcing layup comprising alternative layers of chopped strand mat and fine woven cloth is applied on both sides of the panel providing a symmetrical repair of great strength. In most cases it is advisable to make the reinforcing layup on the reverse side of the panel considerably stronger than that on the outside.
    2. When it is difficult to taper both sides of the laminate, an almost equally effective joint can be obtained in which the reinforcing layer is done on the reverse side of the panel.
    3. In this method the reinforcing layer is added on the reverse side, but with no tapering of the old panels and with the crack of the old panel merely filled in. If this latter method is used it is advisable to laminate a box or channel section over the joint at suitable intervals.

    Repair Materials.

      A full list of approved body process repair materials are contained in the Service Parts List (Part No. 50T 3253.)

Click For Full Size Image Click For Full Size Image

B.4 - SUPERFICIAL DEFECT REPAIRS - Section Menu

    Pin Holes or Air Voids

      These are, unfortunately, quite inseparable from the hand layup system but since all body components are "heated" to the maximum known service temperature of 180°F, (82°C,) in order to show up any voids before painting, they should never in theory give any difficulty. If they do then the only solution is to dig them out and fill the holes with a polyester stopper or filler. The two commonly used methods of filling these small holes are. (a) drilling or routing out so as to leave a larger hole with near vertical walls, or (b) where the hole is enlarged by gouging or "picking out".

      A common problem of repaired pin holes is the sinking of the paint surface some time after the repair has been completed. This may result from the use of a cellulose paint stopper which has a higher rate of shrinkage or in the case of a polyester stopper is usually caused by painting too soon after effecting the repair, before the filler is properly cured. The filled areas should on no account be rubbed down until the filler has fully cured, or sinking will obviously result.

    Surface Crazing

      There are various causes of surface crazing, but practically all are caused by sharp impacts or accidental damage. During an accident some panels may flex sufficiently to cause the surface to craze without causing immediate apparent damage to the paint surface. The underside of wing areas are undersealed to give more panel resilience, and should be re-undersealed if new wing sections have been fitted.

      The crazing may not work its way through the paint surface for some weeks so that it is necessary when assessing accident damage to carefully examine all panels, particularly near cracks or split bonds and in cases of doubt it may be possible to promote the appearance of the crazing by applying gentle heat. Crazing itself generally stops at the first layer of glass fibre and is consequently not in itself structurally serious, but the extensive crazing near damaged areas should be taken as an indication of over stressing and the panel should be reinforced or replaced. It is not possible to remedy crazing by simply re-surfacing with a further layer of resin.

    Wrinkling or Distortion

      This phenomenon is usually caused by exposure to severe heat. This can cause the resin to soften slightly and in doing so give way to any inbuilt or associated stresses. In all such cases technical advice should be sought from Lotus Cars (Service) Ltd.

    Split Bonds

      Small splits of bonds such as those around the door can occur, being caused mainly by excessive flexing of the panels or by vibration and they should be arrested before they can extend and become serious. The split should be peeled open slightly further, the inside flange surfaces should be roughened up with a hacksaw blade and the appropriate type of bonding resin should be inserted before clamping up. Clamping pressure should always be applied evenly, using a small slip of wood or metal if dimpling of the panel surface is to be avoided. Where possible, all splits should be laminated from the inside.

    Replacement Sections

      Where the repair of a damaged vehicle calls for replacement sections or panels it is recommended that these be obtained direct from Lotus Cars (Service) Ltd.

      Standard sectional repair moulds cater for the repair of damage in any area of the body unit. These are so designed that they can be used individually or connected together for the manufacture of the required section of the body. These are also used for locating new sections correctly relative to the existing panels. These moulds are deliberately left unframed so as to accommodate slight discrepancies and have been made on a standard painted body shell to allow for average paint thickness.

      Click For Full Size Image Click For Full Size Image

      Repair sections available are shown in Figs. 6 and 7. Due to the material used in construction of the body unit, cases of severe damage can often be economically repaired, i.e. where damage has been severe enough to destroy virtually the whole front end of the vehicle, as far as the bulkhead for instance, it is possible to graft on a new complete section.

      Before cutting away the damaged parts or ordering replacement sections, the proposed method of repair, positioning of joint lines, overlaps etc. should be ascertained ('Section B.3').

      Determine a method for the correct positioning of replacement sections and before cutting away damaged parts check on any prominent features from which measurements can be made and scribe these clearly on to the panels which are to be left intact.

      Use masking tape or chalk to define the lines on which it is proposed to cut the panels and study these lines thoroughly to see that, (a) any damaged or slightly damaged panel which would be useful in the aligning of another major panel will not be removed or, (b) on single skinned areas in particular the proposed outline traverses longitudinal, lateral and horizontal definition points to assist easy lining up of the new panel in all three places.

      When repairs have been carried out in the vicinity of the front wheelarches, ensure the tyres do not foul the front lower flange when the wheels are on full lock.

      Underseal the wheelarch area to a depth of .125 in. (3mm) using '3M' material, or its equivalent in consistency, to prevent gel-coat crazing caused by small stones etc.; thrown up by the wheels.

    Positioning Replacement Panels

    1. Line up flat surface (e.g. undertray or floor area) using long wooden beams bolted to undamaged area.
    2. Line up main contours (e.g. wing sections) using splints and bolt into position with flat or curved steel straps.

    Metal Inserts

      The only metal inserts used are bobbins.

    Click For Full Size Image

    Bobbins

      Considerable use is made of die-cast metal inserts, which are oval or square (door hinge) in configuration and commonly known as 'bobbins'.

      They are designed to carry high loads in most directions and also offer the advantage of being accurately located in the mountings.

      Two basic forms are employed as follows:

        Large (structural) bobbin - with 3/8 in. or ½ in. holes (plain or threaded)
        Small (semi-structural) bobbins - with ¼ in. or 5/16 in, holes (plain or threaded)
      The following advice is given on dealing with bobbin failures.

    Bobbins Pulling Out

      This could be caused by overloading e.g. accident damage. Where the bobbin and its surrounding area is accessible from the rough side of the laminates either naturally or by cutting non-weakening access holes, the remedy is to improvise a local mould in plaster or glass fibre of the body surrounding the finished side of the bobbin.

      Difficulty may be experienced in temporary re-location of the bobbin and its surrounding laminate in its original position. A local mould of the smooth side of the surrounding area (for example 6 in. (15 cm.) beyond in all directions) should eliminate this trouble. Re-registering can be achieved by drilling holes through mould and body and through the bobbin before removing the repair mould. Additional 4.00 in. (10.2 cm) square patches to make up to: ¼ in. and 5/16 in. bobbins: the equivalent of 5 x 1 ½ oz. layers. 3/8 in. and ½ in. bobbins: the equivalent of 7 x 1 ½ oz. layers.
      Note: Number of patches to be determined from the above.
      The bobbin can then be directly laminated on the old mounting by using the techniques described and overlapping the new laminate on to the old by several inches whenever possible.

      The larger bobbins are used only where the loadings are known to be high, e.g. body mountings, seat attachments, etc. smaller bobbins are used as a locatory point or a blind attachment point.

      Typical instances of non-structural applications are battery and spare wheel mounting points. In these cases loose bobbins can be repaired by more localized and less exacting means, e.g. forcing in a dough mixture around and behind the bobbin; winding tape around it, etc.

    Layup around Bobbins

    1. It is important that build-up around bobbins is as previously described as bobbins by nature of their application are subjected to high loads, and will break out of the surrounding fibre glass if not bonded in correctly.
    2. Bobbins must be bolted to mould after "mould release agent" has been applied and prior to Gel-coat application. Care must be taken to ensure that it sits well down on to the mould, and that the bobbin is positioned correctly in accordance with the specification concerned.

    Stripped Threads

      Whilst their oval section will prevent these bobbins from tuning in normal use they may loosen if too much tightening pressure is applied, or when an attempt is made to tap them out to a large diameter. If a thread is damaged or stripped an attempt should be made to drill the thread clear and use a bolt and lock nut or drill oversize and fit a helicoil insert.

      When fitting, an initial check should be made with each bolt before tightening. Only U.N.C. bobbins are employed and particular care should be paid to fit only U.N.C. bolts to them. Where the bolts are particularly tight this may be due to resin within the threaded portion of the bobbin, which can be remedied by tapping out. Only the correct length of the bolt should be used, i.e. those whose thread engages with the full depth of the bobbin. No attempt should be made to pull items up under heavy lead with a small engagement of thread. To avoid tightening up onto the plain shank of the bolt it is recommended that only set screws be used, i.e. those threaded all the way up to the head.

    Click For Full Size Image

    Laminating in a New Bobbin

      Firstly the laminates from the basic mounting surface must overlap and interleave with the laminates around the bobbins. Secondly the laminate must be well built up under the bobbin to prevent the bobbin from pulling out in a downward direction. This surrounding laminate should in itself comprise a tight ring around the bobbin to prevent it from bursting out under diagonal loads but if in doubt one or two layers of tape or cloth should be wound round the waist of the bobbin.

      Finally plasticine or similar plugs should be used during laminating to keep the resin out of the bobbin threads. When properly laid the visible rough side wall will be nearly vertical in line with the bobbin top profile. In effect a strong reinforcing ring of laminate surrounds the bobbin and this ring must be properly connected to the basic laminate. It is essential to keep the Gel-coat to a minimum thickness to prevent "crazing" and desirable that the general layup thickness tapers gradually away from the bobbins.

      Remember that tensile applications are the most demanding and require continuity of layup, that the above instructions be strictly adhered to, that the safety of the vehicle may be dependent upon the correctness of the application of these operations.

B.5 - BODY CARE - Section Menu

    When washing the body, use plenty of cold water; never attempt to remove dust or mud from the paintwork when dry, as this will damage the high gloss finish. Special preparations are marketed for adding to the washing water; the use of these mild "detergents", as directed by the manufacturers will expedite washing. Only use preparations of a reputable manufacture. When dust and mud have been removed with sponge and water, finally dry with a chamois leather.

    If the car is kept clean by frequent washing, it will be found that polishing is almost unnecessary. If a polish is used, do not allow it to contaminate the windscreen.

    During the months of winter, many countries use salt to assist in the clearance of ice or snow. Thoroughly wash the coachwork, the underside of the body and wings, and the chassis, either weekly or more frequently depending on local conditions, to remove any salt deposit and prevent its corrosive action.

    The fibreglass coachwork will not of course be affected by any corrosive action but the metal parts attached could be.

    Bright Metal

      The attractive appearance of bright metal can be preserved if it is cleaned regularly. Each week wash with a soap and water solution, rinse thoroughly with clean water and dry off. Staining or tarnish can be removed with a good quality chromium cleaner.

    Windscreen Cleaning

      The windscreen wipers are hinged so that they may be lifted clear of the glass, when cleaning the windscreen. Never push the blades across the windscreen as this will damage the mechanism.

    Upholstery and roof lining

      Normal cleaning consists of an occasional light wipe over with a cloth dampened in a mild soap and water solution; it is important that the cloth is only damp not soaked.

    Covers

      If it is desired to protect the vehicle with a portable cover, only use a lined and ventilated one. Unlined, or unventilated covers could cause "sweating" of the paint finish.

      Ensure body is dry before using the cover.

B.6 - PAINT PROCEDURE - Section Menu

    The following information applies to Polyurethane Primer Surfacer and is the full procedure when starting with a bare body.

    Polyurethane Primer Surfacer was introduced into production as it gives more advantages through the complete paint process than was previously possible.

    A full list of painting materials is given in Section 'B' of the Service Parts List.

    To Paint

    1. Vacuum clean to remove all dust.
    2. Solvent wipe and tack rag.
    3. Spray one cross coat of polyurethane (part No.36B 6136) mixed 5 parts to 1 part catalyst (part No. 36B 6137). This may be thinned with up to 5% of thinner (part No.36B 6138) to give 45-55 seconds No.4 cup at 65 F (18.3°C).
    4. Flash-off 5 minutes.
    5. Spray one further coat of polyurethane mixed as above.
    6. Flash-off 10 minutes.
    7. Force dry 50 minutes at 130-140°F (544°-60°C). Then allow to cool.
    8. Wet flat with "320" or "360" grade paper, using a copious supply of water to removing rubbing sludge as this can seriously affect inter-coat adhesion if allowed to dry on the body surface.
    9. Wash down thoroughly.
    10. Dry off thoroughly. Areas rubbed through must be spot-primed with ivory sealer (Part No.46B 6153), thinned with thinner (Part No.36B 6143).
    11. Solvent wipe and finally tack rag.
    12. Spray door shuts and edges.
    13. Apply 2 cross coats of colour keeping wet, using thinner (Part No.36B 6142) to give 23-24 seconds No.4 cup at 65°F (18.3°C) with 5 minutes flash between coats.
    14. Flash-off 10 minutes
    15. Force dry 50 minutes minimum at 130° - 140OF, (54.4° - 60°C). Allow to cool.
    16. Wet flat with "400' grade paper and wash thoroughly.
    17. Dry off thoroughly.
    18. Solvent wipe and tack rag.
    19. Spray door shuts and edges.
    20. Apply 2 cross coats of colour keeping wet, using thinner (Part No=46B 6142) to give 23-24 seconds No.4 cup at 65°F (18.3°C} with 5 minutes flash between coats.
    21. Flash-off 10 minutes.
    22. Force dry 50 minutes minimum at 130° - 140°F. (54.4° - 60°C).
    23. Inspect and rectify with "600" grade paper.
    24. Polish with compound (coarse then fine).
    25. Final polish with Pinchin & Johnson liquid wax polish (WWZ.14).

    NOTE:- If a fast thinner is used in cold or humid conditions, or lack of adequate air movement or heating exists in a spraying area, a commonly recognised defect known as "Blushing or Blooming" can occur on finish colour, (a milky dulling of the paint appearing soon after application, whilst the film is hardening).This is caused by the precipitation of atmospheric moisture due to the surface temperature of a newly applied paint film being lowered by solvent evaporation.

    When this "Blushing or Blooming" is seen on the colour coats, it is also probable that any surfacers applied at that time and under those conditions will also be affected by this moisture precipitation. This is not usually visible since surfacers normally dry to a matt finish, but blistering of the paint system or faulty inter-coat adhesion may well occur later.

    Painting Equipment.

      The recommended spraying equipment using a Binks Bullows "230" Gun with colour is:-
        Air nozzle 63.PB.
        Air pressure 65-70 lbs.in. (4.57 - 4.92 kg.cm.)
        Material nozzle 446.
        Paint pressure 12-15 lbs.in. (.84 - 1.05 kg.cm,) Needle valve 39.

    Paint Removal.

      Under no circumstances must "Paint Stripper" be used to remove paint from glass-fibre-reinforced plastic (G.F.R.P.) bodies as this will attack the gel-coat, which MUST of course remain intact.

      The recommended procedure for removing paint is :-

      1. Wash off with a slow thinner, or
      2. Wet flat with an appropriate grade of paper dependent on the amount of paint to be removed. Paper heavier than "240" grade must not be used.

B.7- BONNET (HOOD) - Section Menu

    Bonnet

      To Remove:
        Open the bonnet and remove the two bolts situated at the leading edge of the bonnet. Take note of any spacing washers which may be found between the bonnet sides and the sides of the aperture.

      To Replace:

        Replacement is a reversal of the removal procedure.

    Tool Roll Strap

      A strap is provided to secure the tool roll and vehicle jack. Correct stowage is with the foot of the jack pushed down into the well of the spare road wheel with the upper part of the jack resting on the tyre wall. The strap passes completely round the jack through the road wheel and is tightened securely.It is possible that the vehicle jack if not stowed correctly can shift and jam the steering tack.

B.8 - BOOT (TRUNK - ENGINE COVER). - Section Menu

    Boot lid

      To Remove:
        Open the boot to its full extent and remove the stay. Release the nuts and washers securing the hinges to the lid and remove the lid. Do not misplace the sealing gasket between the hinge and the boot lid.

      To Replace:

        Replacement is a reversal of the removal procedure.

B.9 - DOOR TRIM PAD - Section Menu

    Click For Full Size Image

    To Remove:

    1. On doors with flush-fitting remote control, loosen the three securing screws and remove the black plastic trim surround in two halves.
      On doors with handle type remote control release the central screw retaining handle and pull off the handle.
    2. Remove the two expanding fasteners from the glove pocket area of the door and ease the trim pad away from the door working progressively round the edges of the pad, keeping as close to the clips as possible. When all the clips are free, ease the pad from around the remote control handle.
    3. Similarly, remove the central trim pad.

    To Replace:

      Replace the central trim panel.
      1. Ease the remote control into its location, fit the trim pad clips into their corresponding snapsacs in the door panel and replace the expanding fasteners.
      2. Tighten the screws securing the flush-type remote control, or replace the handle in the case of Series I vehicles.

B.10 - DOOR LOCK REMOTE CONTROL - Section Menu

    Two types of lock remote control have been fitted in production, these being the lever type used on Series I vehicles and a second, flush-fitting type on Series II vehicles.

    To Remove (Lever Type)

    1. Release the screw securing the handle.
    2. Remove the trim pad (Section 'B.9').
    3. Extract the split pin and remove washer and clevis pin securing remote control link to lock.
    4. Release the two bolts with their nuts and washers securing the remote control mechanism to the door and pull from its location.

    To Remove (Flush type)

    1. Remove the three screws securing the remote control handle to the door.
      Remove the black plastic trim surround in two halves (see Fig.10).
      Note that the handle cannot be released until after the trim pad is free.
    2. Remove the trim pad (Section 'B.9').
    3. With the trim pad free, lift out the locking (small) flap locking rod from the handle mechanism and the lock operating rod from the nylon block.
    4. Remove remote control handle.

    To Replace (both types)

    1. Reverse the removal procedure.

B.11 - DOOR LOCK - Section Menu

    Two types of lock have been fitted in Production, these being dependent on the type of lock remote control used (Section 'B.10').

    Click For Full Size Image

    To Remove (first type)

    1. Remove the trim pad (Section 'B.9').
    2. From inside the door interior, release the remote control link at the lock.
    3. From the door shut face, release the setscrews securing both the lock cover and the lock into the door.

    Click For Full Size Image

    To Remove (second type)

    1. Remove the trim pad (Section 'B.9').
    2. From inside the door interior, release the rods between the remote control locking flap to lock, nylon block to lock, exterior door handle to lock and private lock to lock.
    3. From the door shut face, release the setscrews securing the lock into the door.

    To Replace (both types)

    1. Replacement is a reversal of the removal instructions, but ensure all lock mechanism with its associated parts is fully operative (use a silicone-based grease) before replacing the trim pad.

B.12 - LOCK STRIKER - Section Menu

    It is not necessary to disturb this component other than to fit a replacement or make adjustments. To make adjustments, slacken the retaining screws in the striker, adjust as necessary and tighten the screws.

    If the securing screws are inadvertently released, the screws tapping plate, which is BEHIND the door shut face will be displaced from its location.

    To obtain access it will be necessary to remove the dust shield in the wheelarch (Section 'B.32').

B.13 - DOOR WINDOW MOTOR - Section Menu

    Click For Full Size Image

    To Remove:

    1. Remove the door trim pad (Section'B.9').
    2. Set the window so that the operating arm is horizontal.
    3. Disconnect the battery.
    4. Disconnect the motor cables from their 'Lucar' terminals.
    5. Remove the set screws securing the motor assembly to the inner door panel (see Fig.13), then slide the operating arm from the window steady plate. Lower the motor to the inner bottom of the door. Support the window with a suitable block of wood to avoid the possibility of the window becoming displaced from its channels, as could happen if allowed to rest on the inner bottom of the door.
    6. Turn the motor assembly through 90° and lift out though the large aperture at the forward end of the inner door panel.

    To Replace:

    1. Replacing the window motor is a direct reversal of the removal procedure.

B.14 - DOOR WINDOWS - Section Menu

    Click For Full Size Image

    To Remove:

    1. Remove the door trim pad (Section 'B.9')
    2. Lower the door window motor to the inner bottom of the door (Section 'B.13'),
    3. Carefully drill out the six pop rivets. In the case of four of them, the window sealing channel will have to be prised from the window frame to reveal the rivets.
    4. Pull the window frame away from the door at the top and lift the whole assembly from the door shell.
    5. Further dismantling of the window frame can be carried out with the frame on a felt covered bench to avoid damage to the glasses.
    6. The quarter-lights are retained by two pozi-drive self tapping screws at the base and a pop-rivet near the apex of the glass.

    To Replace:

    1. Replacement is a direct reversal of the removal procedure. If necessary, renew the mastik sealer around the main window joint with the door moulding.

B.15 - FITTING INSTRUCTIONS FOR REMOVABLE DOOR WINDOWS - Section Menu

    The following work can be carried out either with the doors still on the cart or removed on to a bench. The latter method is preferred, as this will permit more freedom of movement during the cutting and fitting operations. Always use a clean felt or foam-rubber covered workbench when working on body parts to avoid unnecessary damage to paintwork.

    1. Remove the existing window by first cutting around the inner edge of the window surround retaining strips. Break away the cut parts of the strips taking extreme care NOT to damage the flange in the window from the INNER side. Remove all traces of old adhesive from the window aperture. If new doors are being used it will be necessary to remove excess GFRP flashing from the window aperture.
    2. Reference should now be made to the illustration for the correct measurements in cutting the removable window retaining slot in the upper face of the door inner moulding. These measurements are quite critical and MUST be maintained. After cutting and trimming the slot with the trim strip (Part No. 46B 6123), the butt joint of which should be on the inner edge, the glass carrier brackets (Part No 46B 1361) should now be fitted in the base of the inner moulding with the 'pop' rivets (Part No. 50B 6003) and washers (Part No. A03W 0605). The glass protecting rubber (Part No 46B 6116) is then attached to the face of the bracket, which will come into contact with the glass.
    3. Loosely assemble the quarter light glass (Part No. 46B 669, L/H and 46B 670, R/H) to their respective locations in the forward part of the window aperture.
    4. Using a new piece of door window surround (supplied in length under Part No. 46B 6105), the forward and lower pieces should be cut and mitred but not yet fixed. Remove the temporarily assembled quarter light from the door. Using Swifts adhesive 'K.7492' spread a coating into the glass rebate of the door window surround, and Bostik '692' in the door rebate of the window surround. Spread a coating of Swifts adhesive 'K.7492' to the outer face of the flanges of the window aperture. Fit the window surround pieces to the glass and assemble the quarter light to the door, entering the front lower corner first. The aid of a long thin knife or hacksaw blade (with the teeth removed) will greatly assist in lifting the inner faces of the window surround to their correct locations. Remove excess sealer and adhesive from the glass and window surround, particularly in the area adjacent to the rear edge of the glass.
    5. With the quarter light fitted, offer up the dividing channel (part No. 46B 659, L/H and 46B 660, R/H) to its fitted location. Push hard up against the quarter light glass, then drill fixing holes using the dividing channel as a template. Secure the dividing channel with its retaining screws, nuts and washers.
    6. From the illustration, mark off and drill the removable window catch locations in the inner face of the upper window frame moulding, then insert catch snapsacs (Part No. 36B 6007).
    7. Attach the catches (Part No. 46B 1370) to the inner face of the removable window (Part No. A46B 667, L/H and A46B 668, R/H) and secure with their retaining screws, plain and fibre washers, and domed nuts. Attach the Ladac strip (Part No. 46B 6119) to the outer face of the window which will come into contact with the dividing channel.
    8. Finally, using Dunlop cement '919', attach the removable window rubber assembly (Part No. 46B 6117,L/H and 46B 6118, R/H) to the upper, lower and rear flanges of the window aperture. Remove excess cement.

B.16 - EXTERIOR DOOR HANDLE - Section Menu

    To Remove:

    1. Remove the door trim pad (Section B.9).
    2. The handle is removed by releasing the setscrews from the inner side of the door panel. Do not misplace the seating washers between the handle and the exterior of the door. Note that on models with the flush-fitting type of remote control, it is necessary to disconnect the rod between exterior door handle and door lock.
    3. On models with separate private lock (Key-operated) this is retained by a single nut. The private lock is also inter-connected to the door lock by a small rod.

    To Replace:

    1. Reverse the removal procedure.

    B.17 - DOORS. - Section Menu

      To adjust:

        Incorrect door adjustment can cause:
        1. Door rattles in lock area.
        2. Door flutter.
        3. Draughts and/or water leaks at door seal.
        4. Door lock fouling lock striker causing difficult door closing.
        Before attempting adjustment ensure that the hinge bushes are not worn.
        1. Remove the door trim (Section B.9)
        2. Angular adjustment may be made by slackening the large nuts on the upper and lower bushes and re-aligning the door. Variations in height, if necessary, require the addition or removal of abrasive washers under the heads of the bushes.
        3. Tighten the nuts and replace the door trim.

      Door Removal:

      1. Remove the door trim (Section B.9) and disconnect the cables from the door window motor.

        Click For Full Size Image

      2. Throughout this stage the weight of the door should be supported. Remove the split pin from the pivot tube (see Fig. 15) and, taking care not to mark the surface of the tube unduly, with the aid of a pair of Mole grips or similar tool, push the tube down until it emerges from the hole in the door seal. With the tube completely withdrawn the door may be removed.

      To Replace:

      1. Replacement is a direct reversal of the procedure outlined above.

    B.18 - SUN VISORS - Section Menu

      To Remove:

      1. To remove the sun visors pull away the upper part of the weather seal from the door apertures and carefully prise off the trim panels affixed over the apertures, so revealing the sun visor mounting brackets.
      2. Unscrew the Pozi-drive screws (two per side) from outside the car.

      To Replace:

        Reverse the removal procedure outlined above.
        Care should be taken when replacing the trim panels to confine the adhesive to the area required, to avoid unsightly marking of the roof lining.

    B.19 - FACIA PANEL - Section Menu

      To Remove:

      1. Disconnect the battery.
      2. Release the upper steering column clamp (see Section H).
      3. Remove the speedometer drive cable from the back of the instrument.
      4. Remove the demister grilles from the top of the crash pad and disconnect the face level vents from their trunking (see Section P).
      5. Dismantle the door courtesy lamp switches as these also serve to attach the facia panel side brackets to the body.
      6. Remove the backbone trim panel (see Section B.25).
      7. Remove the four upper facia panel securing bolts. The outer pair of bolts have nuts and washers while the inner pair screw directly into bobbins.
      8. Slacken the two bolts clamping the facia panel mounting brackets to the top of the chassis backbone sufficiently to allow the bracket to be withdrawn.
      9. Mark the position of all electrical cables and remove from their locations. Lift the facia panel from its location. Further dismantling can be carried out as required with the panel on a felt-covered bench.

      To Replace:

      1. Replacement is a direct reversal of the removal procedure, except it is suggested that after replacing all electrical cables, the battery be reconnected and all electrical circuits checked. If satisfactory, disconnect battery and proceed with remainder of replacement.

    B.20 - GLOVE BOX. - Section Menu

      To Remove:

      1. Remove the facia panel (Section B.19).
      2. With the facia panel face down on a felt-covered bench, release the screws securing the sides of the glove box to the rear of the facia panel.

      To Replace:

      1. Reverse the removal procedure.

    B.21 - WINDSCREEN - Section Menu

      To Remove:

      1. Remove the windscreen wiper arm and blade (see Section M9).
      2. Remove the interior rear view mirror by releasing the central locking screw.
      3. Starting at the lower outer centre of the windscreen, prise up and out the plastic filler strip from the rubber weatherstrip. Use a small screwdriver from the glass with the fingers. Use a small screwdriver from which the sharp edges have been removed.
      4. Still working on the outside of the windscreen, ease the rubber, weatherstrip from the glass with the fingers.
      5. With one hand supporting the windscreen from the outside, use the heel of the other hand to knock out the screen. The weatherstrip should be pushed out with the windscreen, if it is not, simply pull off from the body aperture.

      To Replace:

      1. Remove all traces of old sealing compound from the windscreen, weatherstrip and body aperture. If the screen has been broken it is imperative that all granules and splinters of glass are removed from the weatherstrip.
      2. Using Bostik '692' sealer, apply a continuous strip to the flange of the body aperture.
      3. Using soft soap to simplify the weatherstrip fitting push weatherstrip well into its seating, particularly at the corners. Apply a continuous strip of Bostik '692' sealer to the face of the weatherstrip which is in contact with the windscreen.
      4. Lay the windscreen on the weatherstrip and starting from a lower corner, lift the lip of the rubber over the edge of the screen with the aid of a small screwdriver (or similar tool) from which all sharp edges have been removed.

        Click For Full Size Image Source Link

      5. Using the tool illustrated, insert the filler strips into the weather-strip starting at the top left or top right hand corner and working down and around the screen. Insert the upper filler strip ensuring that the corners are a snug fit.
      6. Remove excess sealer with white spirits (or similar).
      7. Replace interior rear view mirror and windscreen wiper arms.

    B.22 - REAR SCREEN (BACKLIGHT) - Section Menu

      To Remove:

      1. Starting at the lower outer centre of the screen, prise up and out the plastic filler strip from the rubber weatherstrip. Use a small screwdriver from which the sharp edges have been removed.
      2. Still working on the outside of the screen, ease the rubber weatherstrip from the glass with the fingers.
      3. With the aid of a second operator supporting the screen from the outside, use the heels of the hands to knock out the screen. The weatherstrip should be pushed out with the screen, if it is not, simply pull off from the body aperture.

      To Replace:

      1. Remove all traces of old sealing compound from the screen weatherstrip, the body aperture and the screen (if being replaced). If the screen has been broken it is imperative that all granules and splinters of glass are removed from the weatherstrip.
      2. Using Bostik '692' sealer, apply a continuous strip to the flange of the body aperture and to the face of the weatherstrip which is in contact with the screen. Fit the weatherstrip to the body aperture.
      3. Lay the rear screen on the weatherstrip and starting from a lower corner, lift the lip of the rubber over the edge of the screen with the aid of a small screwdriver (or similar tool) from which all sharp edges have been removed.
      4. Using the tool illustrated (see Fig.16) insert the filler strip into the weatherstrip starting at the lower centre.

    B.23 - HEADLINING - Section Menu

      To Remove :

      1. Remove the windscreen (Section B.21).
      2. Remove the rear screen (Section B.22).
      3. Remove the sun visors by releasing their securing screws.
      4. Remove the door weatherseal by pulling from its location, the weatherseal being retained by 'built-in' clips.
      5. Remove the rear seat backrest and the rear quarter trim.
      6. The headlining is removed in the following manner :-
        1. Gently unstick the lining from the windscreen, rear screen and door apertures.
        2. Ease the lining free.

      To Replace:

        Replacement is a reversal of the removal procedure, but attention must be given to the following points :
        1. Coat the inside of the roof moulding to which the lining is attached and the inside of the lining with Dunlop 'S.758' adhesive. Allow 10-15 minutes for the adhesive to become tacky, then commence sticking down the headlining, working from the centre outwards.
        2. Stick the lining carefully, taking out all creases and bulges, both in the lining and in the edges.

    B.24- FRONT SEATS - Section Menu

      Click For Full Size Image

      To Remove:

      1. With the seat in its rearmost position remove the front seat runner retaining bolts, nuts and washers.
      2. Move the seat forward as far as it will go and remove the rear seat runner retaining bolts, nuts and screws.
      3. Lift out the seat and runner assembly.
      4. Detach the runners from the seat.

      To Replace:

        Reverse the removal procedure.
        Reseal the nuts underneath the car to avoid possible water entry.

    B.25 - BACKBONE TRIM - Section Menu

      To Remove:

      1. Unscrew the gear lever knob.
      2. Unclip the armrest pad from the backbone, revealing the choke and heater control mounting bracket. Remove the two bolts retaining the bracket so freeing the backbone trim.
      3. Disconnect the heater and choke controls from the bracket and lift the trim over the cables and the gear lever.

      To Replace:

      1. Reverse the removal procedure.

    B.26 - SAFETY BELTS. - Section Menu

      To remove:

      1. Move the seats to their forward most position.
      2. Remove the two trim retaining screws situated either side of the courtesy lamp. Prise the carpet-covered bulkhead trim panel away from the bulkhead sufficiently to enable a screwdriver to be used on the shoulder belt shackle pins.
      3. Remove the two bolts per belt securing the lap belt, one per belt screwing into the chassis, backbone, and one into the body sill. Remove the belts.

      To Replace:

        Reverse the removal procedure.

    B.27 - DUST SHIELDS (WHEELARCHES). - Section Menu

      To Remove:

      1. Remove the road wheel (see Section G).
      2. Drill out the pop-rivets, which retain the dust shields to the forward face of the rear wheelarch, or the rear face of the front wheelarch.

      To Replace:

      1. Remove all traces of body underseal from the mounting faces of both the dust shield and the body.
      2. Re-rivet the dust shield in place, then apply a liberal application of body underseal to the joint flanges of the shield and rivet heads.

    B.28 - BUMPERS (FENDERS). - Section Menu

      Front.

        To Remove:
        1. From inside the extreme front end of the car, remove the nuts and washers from the bumper retaining studs.
        2. Lift off the bumper.

        To Replace:

        1. Reverse the removal procedure.

      Rear.

        Removal and replacement as for front bumpers.

    B.29 - AIR INTAKE (RADIATOR) - Section Menu

      Grille.

        To Remove:
        1. Release the two self-tapping screws on the lower edge and the two screws on the upper edge.

        To Replace:

        1. Reverse the removal procedure.

    B.30 - NAME BADGES - Section Menu

      All name badges with the exception of the nose badge, are retained by push-in clips.

      If the necessity arises to remove the badges, new clips must be used when replacing,

      The name plates are secured to their bezels by 'Araldite'.

      The nose badge is retained by plain washers and nuts. Take care not to over tighten the nuts when replacing otherwise the enamel surface of the badge will become cracked.

    B.31 - BODY MOUNTING - Section Menu

      If reference is made to Fig.l, it will be seen what fixings are used at the various mounting points.

      When fitting a replacement body, it is recommended that the body be 'offered up' to the chassis before fitting to ensure that mounting holes and bobbins 'line up' (see also 'Body Mounting Points' of Section 'B.4' and Section 'A'). Note that over-tightening of the mounting fixings can cause minor cracks in the body, this being the result of production tolerances on both body and chassis. Whilst this cracking is not serious, neither is it desirable, therefore insert a .375 in (9.5 mm) internal diameter plain washer between the body and its mounting to prevent this cracking.

    B.32 - WATERPROOFING - Section Menu

      The following information is published to assist in rectifying any water leaks, which may be apparent. This is of particular importance where new parts have been fitted.

      The recommended sealers as approved by Lotus Cars Limited are:

      Doors:

        Seals

          All seals should be fitted under compression for their entire length, special attention being paid to internal corners where it is ESSENTIAL that the seal MUST NOT be allowed to 'bridge'; all seals shrink when in use.

        Secondary Door Seals

          Where these are fitted it is ESSENTIAL that there should be no gap between the seal and its mounting surface on the car. If gaps do exist they should be filled with Presttk to prevent seepage of water into the car interior.

        Access and Mounting Holes

          All access holes on the door inner surfaces and body mating faces should be covered by a suitable adhesive tape and all mounting holes sealed with Bostik '692' sealer.

        Drain Holes

          These should be cleaned periodically (when cleaning/washing the car) and kept free of foreign matter.

      Windscreen, Rear Screen (Backlight), Fixed Glasses:

        Rubber Fitting

          Where a rubber is used in the unjoined state (in cut lengths) it is ESSENTIAL that it is pushed well into the corners. Measure the periphery of the aperture, then cut the rubber AFTER adding .125 in, per foot (1 mm per decimetre) to allow for shrinkage. This same procedure applies when fitting the filler strip.

        Sealing

          In all cases, Bostik '692' sealer must be used between glass and rubber and rubber and body.
          Should a water leak develop in the windscreen it is possible to insert sealing compound into the weatherstrip without removing the glass, as follows:
          1. Trace the sources of the leak.
          2. Clean out the weatherstrip at the relevant point. Ensure that there are no faults on the body flange.
          3. Fit a flat nozzle to a sealer gun which is filled With Bostik '692' sealer. Lift the edge of the weatherstrip with a screwdriver, insert the nozzle and fill the joint with sealer along the length of the suspect section.
          4. It will be found that the action of inserting the nozzle of the gun under the weatherstrip will lift the filler strip out of its groove. It is a simple matter to replace the strip afterwards with a screwdriver or similar tool.
          5. Take great care not to damage the paintwork when operating on the body side of the weatherstrip. Do not damage or scratch the filler strip, which is made of plastic and susceptible to surface scratching. This method should not of course, be used in all cases, but it is effective in most instances; furthermore it greatly reduces the time taken to rectify water leaks.

        Fixed Glasses

          If water enters the car adjacent to the base of the fixed quarter-light frame on the door, remove the interior trim and apply a continuous strip of Prestik pushed well into the mating face of the quarter-light frame to the door, including the forward mounting point of the frame. Replace the trim pad on completion.

      Boot (Trunk):

        Seal Fitting

          All seals should be fitted under compression throughout their entire length, special attention being paid to internal corners where it is ESSENTIAL that the seal MUST NOT be allowed to 'bridge'.

        Hinge Mounting Holes

        Wheelarches and Vent Boxes

          If it is suspected that water is gaining entry into the interior of the car, extra fibre-glass laminating should be applied to cover the seams (joints) to floor and bulkheads.

          Seal all holes and mounting points, from the interior with Bostik '692' sealer. Additionally, the wheelarches can also be sealed from the undersides with 3M body underseal, AFTER first removing ALL road filth.

      Fuel Tank Filler Neck

        It is ESSENTIAL that the filler neck grommet should be a tight fit on both the body and the pipe, any inconsistencies being sealed with Bostik '692'.

      General

        There must be no holes in the boot (trunk) walls, or car floor other than designed drain holes. All access holes or mounting holes MUST be sealed with a suitable adhesive waterproof tape from the interior of the car.

      Fixed Windows {Series 1 cars)

      Removable Wlndows (Series 1 Mk.1 cars)

        Side windows should be a good fit in seal. Outer flap of seal should overlap on to surface of glass. Ensure adequate sealing of dividing strip into frame. Dividing strip is sealed to glass using 'Prestik' sealer.

    ADDITIONAL INFORMATION - Section Menu

    SubSection Menu
    Sub Description
    B33 Bonnet (Hood)
    B34 Door Hinge Pin
    B35 Body Lean
    B36 Interior Mirror
    B37 Paint Rectification
    B38 Direct Glazed Windshield
    B39 Protective Wax
    B40 Door Hinge Assembly

    B.33 - BONNET (HOOD), FRONT - SubSection Menu

      Gel-Coat Crazing

        Where the gel-coat is damaged by the bonnet being slammed down hard when closing, the adjustment stops strike the underside of the lid thus causing crazing.

        To overcome this, reaction pads should be attached to the underside of the lid at each rear corner. The pads (Part No. 046 B 1437) can be attached to the lid with Dunlop '758' adhesive.

      Bonnet Lifting

        Commencing at Chassis No. 2640, a reinforcing strip (Part No. 054 B 1820) has been introduced to overcome the possibility of the bonnet lifting at high speeds. The strip can be fitted to cars already in Service in the following manner:
        1. The upper edge of the strip must lie along the lower edge of the lock cutout. When fixing the strip with 6 'pop' rivets (.125 in. x .375 In; 3.175=mm x 9.526 mm), place a block under the centre of the rear edge of the bonnet and depress the rear corners by .375 in. (9.525 mm) in order to apply a pre-load.
        2. Replace the existing bonnet butler stops with new bolts (Part No. XUFB 0516) and adjust them so that the corners of the bonnet are .125 id. (3.175 mm) below the surface of the body when the bonnet is locked.

    B.34 - DOOR HINGE PIN - SubSection Menu

      When removing the door hinge pin, note that it is threaded 5/16 in. UNF at its lower end in order to facilitate removal.

    B.35 - BODY LEAN - SubSection Menu

      When a car has been re-bodied and re-built, the standing height should be measured at the wheelarches. In cases where body lean is apparent (nearly always to the R/H side), washers (Part No. A054 B 1908) should be inserted between the body and the chassis at the mounting points.

      1. Any RHD car having a lean of more than 1 in. (25.4mm) to the R/H side, should have two washers inserted between chassis and body at the front R/H mounting point (adjacent to bulkhead in rear luggage compartment), and four washers inserted at the rear R/H mounting point (body inner wall, rear of drive shafts).
      2. The 3 bolts securing the body to the chassis angle bracket on the R/H side of the tunnel behind the driver's seat, should have their holes in the body elongated so that they line up with the holes in the bracket, after the packing washers have been added to the rear mounting.
      3. On LHD cars leaning to the R/H side, it is only necessary to insert two washers at the front R/H mounting point.

    B.36 - INTERIOR MIRROR - SubSection Menu

      When and/or if an interior mirror becomes detached from its location, 'Loctlte 312' should be used, in accordance with the manufacturers instructions, to refix the mirror.

    B.37 - PAINT RECTIFICATION - SubSection Menu

      In addition to the information contained in Section 'B.6', the following gives advice in the recognition and rectification of certain paint defects which have been experienced on older cars.

      1. Paint Blistering
          Recognizable by the blisters being quite sharply defined as only the paint is affected.
      2. Primer Blistering
          Recognizable by the blisters being less defined, as both the paint and polyurethane are affected.
      3. Mat Blistering
          Recognizable by the blisters being 'sausage-shaped' and following a random pattern.

      Rectification for the above defects is as follows:

      Paint Blistering

        Flat out defects with '320' or '360' grade paper. Prime, then colour. The use of heat is preferable but NOT essential.

      Primer Blistering

        Break the blisters and remove the polyurethane in the affected areas only. Flat out defects with '320' or '360' grade paper, removing only the minimum amount of polyurethane as is necessary. Build up with primer, then colour. The use of heat is preferable but NOT essential.

      Mat Blistering

        In cases of this nature the use of heat is ESSENTIAL.

      The full rectification for all listed defects is:-

      1. Wet flat out defects with '320' or '360' grade paper.
      2. Wash down thoroughly.
      3. Force dry for 60 minutes MINIMUM at 140°F. (60°C.)*.
      4. Apply two cross coats of surfacer (Part No. 036 B 6139) thinned 1:1 with thinner (Part No. 036 B 6140) to give 26 - 28 seconds No.4 cup, with 5 minutes MINIMUM flash between coats.
      5. Flash off 10-15 minutes and force dry 40 minutes MINIMUM 120°F. (48.9°C) - 130°F. (54.4°C.)*.
      6. Wet flat with '400' grade paper and wash thoroughly.
      7. Dry off thoroughly, solvent wipe and tack rag.
      8. Apply two cross coats of colour thinned with thinner (Part No. 036B 6142) to give 23 - 24 seconds No.4 cup with 5 minutes MINIMUM flash between coats.
      9. Flash off 10-15 minutes and force dry for 60 minutes at 120°F. (48.9°C.) - 130°F. (54.4oC) *.
      10. Inspect and rectify, if required with '600' grade paper, cut back with coarse compound, then fine compound.
      11. Final polish with Pinchin & Johnson liquid wax polish (Part No. A036 B 6308).

      * Force drying is optional with defects '1' and '2'.

    B.38 - DIRECT GLAZED WINDSCREEN {WINDSHIELD) - SubSection Menu

      Commencing at Chassis No. 7001010001R, all cars delivered where the U.S. Federal Motor Vehicle Safety Regulations are in force have been fitted with direct glazed windscreen (windshield).

      In this method of windscreen retention, the glass is retained by a strip of butyl rubber compressed between it and the body aperture flange. A plastic trim strip is used to conceal the Joint. Existing windscreens are used, but all glazing rubbers and trim strips are deleted. The body aperture flange in which the windscreen is fitted, has been increased in depth to 9/16 in. (14.3am) in order to accommodate the new fixing method and this dimension MUST be maintained. Cars prior to the chassis number given above CANNOT be fitted with this method of windscreen retention.

      All handling of the butyl rubber and plastic trim strip MUST be carried out at a MINIMUM temperature of 62°F. (17°C.) and a MAXIMUM temperature of 77°F. (25°C.), ideally at 65°F. (18°C.). This temperature restriction includes installation of the screen and compression of the butyl rubber. It may therefore be necessary to work in some area where the temperature can be raised (i.e. a spray booth, or similar). Before using any of the materials refer to the storage conditions and safety precautions at the end of this Section.

      To Remove and Replace Windscreen

      1. Remove the windscreen wiper arms (see Section M).
      2. Using a suitable tool, such as a rod with a large pad on one end, exert a steady pressure on the glass from the inside of the cart until butyl is stretched sufficiently for it to be cut. This Process will be greatly facilitated if the car is warm (65°F; 18°C.). Allow the car to stand in a warm place BEFORE any attempt is made to remove the screen.
      3. Starting at the ends, remove the plastic trim from the screen. If there is no undue distortion of the trim it may be re-used, in which case, remove all traces of butyl from the glass slot of the trim. The mounting blocks at the base of the screen must be retained for use with the new screen.
      4. Clean the body aperture of all broken glass and other deposits. It is not necessary to remove all traces of butyl, but thick deposits must be removed.
      5. Place the windscreen in position in the body aperture and, from inside the car, assess the amount of body distortion. Mark any areas of mismatch where there is a gap greater than .2 in. (5 mm) between the glass and the body flange. Where these points occur it will be necessary to build up the butyl strip to compensate when fitting the screen.
      6. Where a new body, or a new roof section including the windscreen aperture, has been fitted as a result of accident damage, all interior trim must be cut back to ensure that there is no more than .125 in. (3.175 mm) overlap on the outside of the flange. If the flange has been built up to rectify minor damage, it is essential that it conforms to the dimension given in the second paragraph of the Section.
      7. Apply body primer to any areas of the body flange which are devoid of butyl rubber.

        Click For Full Size Image

      8. Apply the glass cleaner/primer to the edge of the screen, overlapping the inside edge of the screen to a depth of .5 in. (12.7 mm), using a sponge applicator (see Fig.18). This must be allowed to dry for a MINIMUM of 10 minutes and a MAXIMUM of 8 hours. The drying time also applies to the body primer used in paragraph '7'.

        Click For Full Size Image

      9. Place the narrow butyl strip in the glass slot of the plastic trim, removing the paper backing as it is inserted with the aid of a suitable tool having a rounded end (see Fig.19). The tool should be slightly wider than the trim so that the slot is opened to accept the butyl.
      10. Gently bend the trim as necessary to conform to the contours of the glass. Ease the trim to shape to avoid overstressing.
      11. Fit the top end bottom trim sections to the glass, applying firm pressure to the rear of the glass slot only, NOT to the finisher head of the trim. Slide the four corner clips on to the end trim sections. Fit the end sections on the glass, locating the clips on the top and bottom sections, ensuring that the gaps at the top and bottom corners are equalized.

        Click For Full Size Image

      12. Place the two support blocks in position at the base of the screen (see Fig.20) using pieces of narrow butyl strip to locate them.
      13. Locate the screen imposition in the aperture and adjust its position until correctly aligned.
      14. As an aid to re-location when fitting, place two strips of masking tape vertically across the Joins between the top and bottom edges of the screen and body, approximately 18 in. (46 cm) apart. Cut these tapes at the screen to body join, leaving the ends in position on the screen and body.
      15. Remove the screen and place it on a felt-covered bench with the inner face uppermost.
      16. Referring to the fifth bullet, where areas of mismatch where found, do NOT use more than two layers of the narrow butyl strip to build up the body flange.

        Click For Full Size Image

      17. Place the main butyl strip in position on the screen, ensuring that one leg is on the glass whilst the other leg is on the trim strip. The edge of the trim strip must be flush with the edge of the butyl (see Fig.21). Make the join in the butyl on one of the windscreen pillars, cutting at a 45° angle. Place narrow butyl strip on the rear of the corner clips.
      18. Ensure that the windscreen support blocks are correctly located and offer up the screen to the aperture, aligning the tapes at the top and bottom of the screen. DO NOT ALLOW THE BUTYL TO MAKE CONTACT UNTIL IT IS CERTAIN THAT THE SCREEN IS CORRECTLY ALIGNED. Hold the screen in such a way that the fingers can be used to locate the blocks correctly.
      19. Apply pressure to the screen to compress the butyl. It will be found that sufficient pressure can be achieved manually, moving progressively around the screen, compressing a short length at a time, repeating the process several times. With a second operator inside the car, support the interior upper edge of the screen aperture. Where build up of butyl has been carried out to compensate for mismatch, the body flange should ideally be supported parallel to the screen for two minutes until adequate compression of the butyl has achieved.

        PRESSURE MUST BE MAINTAINED UNTIL 40% COMPRESSION IS ACHIEVED.

        This condition can be recognized by the .2 in. (5 mm) optimum width between screen and flange after compression.

        Click For Full Size Image

      20. While maintaining pressure from the exterior of the screen, fit the interior finishing strip (see Fig. 22), ensuring that the tang of the strip does NOT separate the butyl from the glass.
      21. Replace the windscreen wiper arms (see Section M).
      22. Water test the car. IMPORTANT: If the car fails this test, remove the screen, clean off the butyl strip and REPEAT fitting procedure from paragraph #12.
      23. The car may be driven immediately if the water test is satisfactory.

      STORAGE

        Plastic Trim

          This MUST be stored in a flat condition at 70°F, (21°C.) plus 7°F. (-13.9°C.) minus 8°F. (-13.3°C.).

        Butyl Strip

          This MUST be stored in a flat condition at temperatures NOT EXCEEDING 90°F. (32°C.) If stored below 62°F. (17°C.), the material must be conditioned within the working temperature given below for a period of 48 hours prior to use. Under these conditions, shelf life is 6 months. Temperature range:
            Minimum 62°F. (17°C.)
            Maximum 77°F. (25°C.)
            Ideally at 65°F. (18°C.)

        Primers

          Glass and body primers MUST be stored at temperatures NOT EXCEEDING 90°F. (32C.) and away from all sources of heat. Under these conditions, shelf life is a maximum of 90 days.

          If stored at temperatures BELOW 62°F. (17°C.), the materials must be conditioned within the working temperature range for 48 hours prior to use.

          If there is any doubt about the conditions of any materials, or if the maximum storage life has been exceeded, the materials MUST be discarded.

          The primers are TOXIC and highly inflammable, therefore every precaution MUST BE TAKEN to prevent fires and inhalation of vapours. The following procedure MUST BE STRICTLY ADHERED TO:

          1. No smoking or flame/spark producing equipment near the materials.
          2. Re-seal primer containers when NOT IN USE, i.e. after each application.

    B.39 - PROTECTIVE WAX - SubSection Menu

      All cars are now protected with a protective wax, the wax used being 'Simonize' but not polished.

      The wax can be removed by one of the following methods:

      1. A further application of 'Simonize', this second application softening the first polish, thus allowing a shine to be imparted to the body.
      2. By an application of 'T-cut', which can be polished off. 'T-cut' is available from Terosyl (Sales) Ltd., Bury, Lancashire, England.
      3. By an application of 'Cut-N-Wax', which can be polished off. This is available from JDK Chemical Products, 257a St. Faiths Road, Norwich, Norfolk, Nor 70N, England.

      NOTE: No attempt must be made to buff the existing protective wax, as this will only result in scratching the body, the wax being quite hard.

    B.40 - DOOR HINGE ASSEMBLY - SubSection Menu

      Further to the information published in Section B17, the following information shows a revised method of assembly procedure for hinges-to-door and door-to-bady. This following information supersedes all other published information on this subject.

      The importance of correct door adjustment is not always fully realized. Incorrect door adjustment can cause the following troubles:

      1. Door rattles in lock area
      2. Draughts from door seal area
      3. Water leaks Door lock fouling body striker plate

      Ensure that doors are correctly adjusted and if necessary, re-adjusted after initial body settlement. The doors should only be finally adjusted when the car is on its wheels on level ground.

      Click For Full Size Image

      To adjust the door, proceed as follows:

      1. Assemble the hinge bushes into the door as shown in Fig. 23. The nuts should be tight enough to allow the bushes to be moved.
      2. Offer door into its aperture in the body, with the hinge pivot pin temporarily in position. Centralise the door in its aperture by the addition of washers (Part No. 128 CA) at top and bottom as required.
      3. With the door in position, slacken off the lock striker plate and adjust shut line of door, moving the hinge bushes and striker plate as required.
      4. Further tighten the nuts on the hinge bushes (so that the bushes will not move) and the screws in the striker plate.
      5. Remove hinge pin and door, add locknuts to the hinge bushes and fully tighten. Check that the screws for the lock striker are fully tightened.
      6. Using a suitable adhesive ('Loctite 312') attach the washers previously selected to each other and to the upper hinge bush. Attach the 'O' ring to the upper hinge bush using Dunlop 'S.758' adhesive. The reason for attaching the washers and 'O' ring to the upper hinge bush, is that when the door is inserted into its location, the washer could be misplaced.
      7. Using Shell Retlnax 'A', liberally grease both the upper and lower hinge bushes in their inner bearing surfaces. Again using this same grease, apply a liberal coating to the hinge pivot pin.
      8. Insert pivot pin into the body with the tapered part uppermost. Place washers previously selected (at bottom of door) over the pin end, followed by an 'O' ring. Place door in its location in the body aperture, then feed pivot pin through the hinge bushes holding the door meanwhile in its location. Take care during this operation that the washers and 'O' rings at both top and bottom of the door are not misplaced.
      9. Ensure pivot pin is fully 'home' in its location in the upper part of the body aperture, then insert spilt pin through the pivot pin (just above the lower hinge bush). Partly open 'legs' of split pin to prevent its loss. Ensure pivot pin is liberally coated with grease to prevent possible corrosion.
      10. Rebuild remainder of door where necessary, not forgetting any sealing flaps on the door inner panel. Insert grommet (sealing the end of the pivot pin) into body sill below the door.

    Other Notes: [edit]
    This area is a public scratchpad for notes.
    Please be courteous with what you post, and do not erase someone else's work.

    Section Menu / SubSection Menu