LOTUS EUROPA S1/S2 WORKSHOP MANUAL

Section L -- Fuel System

Lotus Europa Central -- Tech Specifications -- S1/S2 Workshop Home -- Manuals Home -- Feedback
ProceduresIllustrations
Sec Description
L1 General Description
L2 Fuel Tank
L3 Fuel Tank Sender Unit
L4 Fuel Gauge
L5 Fuel Pump
L6 Air Filter
L7A F35 Didsa-2 Carb Below - General
L7B - Maint. & Slow-Running
L7C - Carburetter Faults
L7D - Removing And Refitting
L7E - Dismantling
L7F - Assembling
L8A F26 Didsa-2 Carb Below - General
L8B - Maint. & Slow-Running
L8C - P.C.V. System
L8D - Removing And Refitting
L8E - Dismantling
L9 Choke Control
L10 Throttle
L11 Exhaust Emission Carburetters
L12 1971 Evaporative Loss Control
Fig Description
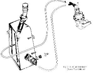
1 Fuel Tank Installation (S-1)
2 Fuel Tank Installation (S-2)
3 Fuel Pump Components
4 Air Filter Components
5 F35 DIDSA-2: External View
6 F35 DIDSA-2: Upper Body Removed
7 Primary & Secondary Throttle
8 Carburetter Removal
9 Exploded Parts of the Carburetter
10 Service Kits of the Carburetter
11 Throttle Linkages
12 Vacuum & Emission Linkage
13 F26 DI DSA-5 Carburetter
14 P.C.V. System
15 Cold Start System
16 Slow Running System
17 Throttle Open -Choke Closed
18 Evaporative Loss Control Sys
19 Engine Off
20 Small Throttle Opening
21 Wide Throttle Opening
Click here to open a new window containing a searchable PDF copy. (3,300K)

L.1 - GENERAL DESCRIPTION - Section Menu

    The fuel system has a fuel tank located in the engine compartment on the left hand side.
    The filler cap is located to the rear of the rear screen on the inside return of the body adjacent to the engine compartment aperture.
    The filler pipe is connected to the tank by a short length of hose retained with clips.
    An electrically operated fuel tank gauge unit is mounted in the front face of the tank.
    A fuel pipe connects the fuel tank to a diaphragm type mechanical fuel pump mounted on the right hand side of the engine and operated by the camshaft.
    The fuel pump incorporates a gauze screen and sediment bowl which are easily detachable for cleaning purposes.
    From the fuel pump a plastic pipe delivers fuel to the carburettor.
    Either a Solex 35 DIDSA 2 (in the case of U.K and European vehicles) or a Solex 26 DIDSA 5 (Federal, North American vehicles) carburettor is fitted.
    Information on these carburettors is contained in the respective carburettor sections, and their specification will be found in 'Technical Data'.
    In both instances the instrument is a down draught twin choke unit incorporating an idling, a main and a full load enrichment system.
    A diaphragm type accelerator pump is built into the unit and an internally vented float chamber is also incorporated.
    The air cleaner is of the replaceable paper element type.

L.2 - FUEL TANK - Section Menu

    Click For Full Size Image Click For Full Size Image

    To Remove:

    1. Disconnect the battery leads (earth lead first).
    2. Drain the fuel tank (The drain plug is situated underneath the tank and is accessible from beneath the vehicle).
    3. Undo the two hose clips on the flexible pipe connecting the filler cap to the neck on the tank.
    4. Remove the two leads to the tank unit (green/black and black) by detaching them at the Lucar connectors.
    5. Detach the fuel pipe and the vent pip from the tank at their flexible connectors.
    6. Undo the two hexagonal headed screws on the tank mounting brackets at the front left hand side of the tank.
    7. Undo the single hex-headed bolt securing the rear right-hand side tank mounting bracket to the wheelarch front by removing the Nyloc nut and penny washer from within the wheelarch.
    8. Lower the tank sufficiently to release the flexible pipe from the filler cap and tank neck.
    9. Remove the tank by maneuvering it forwards and downwards through the aperture beneath the vehicle.

    To Replace:

      Reverse the procedure outlined above.

L.3 - FUEL TANK SENDER UNIT - Section Menu

    To Remove:

    1. Remove the tank as outlined in L.2.
    2. Unscrew the sender unit lock-ring from the mounting on the front of the tank, using Tool (Part No. A036 T 6015).
    3. Withdraw the sender unit from the tank.
    4. Remove the sealing ring.

    To Replace:

    1. Ensure that the mating surfaces of the rear of the sender unit and recessed mounting flange on the tank are clear.
    2. Fit a new sealing ring in the recess in the tank and fit the sender unit tighten the lock-ring with the special tool.
    3. Replace tank as outlined in L.2.

L.4 - FUEL GAUGE - Section Menu

    To Remove:

    1. Disconnect the battery.
    2. Pull out the illuminating lamp bulb holder from the rear of the instrument (red/yellow lead).
    3. Detach the two leads to the instrument (dark green/light green and dark green/black) by pulling their Lucar connectors from the terminals at the rear of the instrument.
    4. Undo the knurled nut on the mounting clamp and detach the two black earth leads.

    To Replace:

      Reverse the procedure outlined above.

L.5 - FUEL PUMP - Section Menu

    Click For Full Size Image

    To Remove:

    1. Raise the bonnet and place protective covering over right-hand side of body adjacent to the engine compartment.
    2. Disconnect the fuel lines at the pump (suitably plugged to prevent loss of fuel or the ingress of foreign matter}.
      Disconnect the flexible feed pipe from the top of the pump by undoing the lower pipe clip, using key No 46 E6 433.
      Pull the lower pipe to the pump from the small flexible jointing tube.
    3. Unscrew and remove the locknuts and the two plain nuts and spring washers securing the fuel pump to the studs on the cylinder block and detach the fuel pump, lifting the operating lever to clear the eccentric and the slotted hole in the block.
    4. Remove the gasket from the studs on the adaptor plate attached to the cylinder block.

    To Replace:

    1. Clean the face of the adaptor plate on the cylinder block, removing any traces of gasket, which may be adhering to the face.
      Fit a new gasket to the adaptor plate.
    2. Insert the rocker arm through the slot in the block wall so that the arm lies on the camshaft eccentric.
    3. Secure the fuel pump to the cylinder block with two spring washers and nuts, tightening them evenly to a torque of 12 to 14 lb. ft. (1.66 to 2.07 Kg.m.)
      Fit the two stamped type, locking nuts.
    4. Ensure that the pipe joints are clean and refit the fuel pipes.
    5. Run the engine and check for leaks at the joints.
    6. Remove the protective covering and lower the bonnet.

    FUEL PUMP FILTER

      The filter may be removed from the pump, cleaned, and replaced whilst the pump is still fitted to the engine.

      To Remove:

      1. Undo the clamp screw situated at the top of the pump.
      2. Remove the screw, clamping bar and cap.
      3. Carefully withdraw the filter and spring.
      4. Carefully remove the washer from the cap seating recess.

      To Replace:

      1. Clean the filter gauze by washing it in petrol using a brush.
        If the gauze is damaged, fit a new one.
        Reverse the removal procedure outlined above.

    FUEL PUMP OVERHAUL

      1. Remove the pump unit and filter as outlined above.
      2. Undo and remove the five cheese headed screws holding the top half of the body to the lower.
        Remove the two remaining screws holding the lower half to the top.
      3. Separate the two halves of the pump body by imparting a twisting motion rather than levering them apart at the flange.
      4. Undo the screw that is recessed into the mounting face of the lower pump body and withdraw the operating arm from the body.
        As the lever is removed its forked end will disengage itself from the diaphragm push rod, releasing the diaphragm in the process.
      5. Remove the spring from the operating lever and drive the pivot pin from the sliding pivot block.
      6. Slightly compress the spring towards the diaphragm and remove the seating seal, washer and spring.
      7. From beneath the top half of the pump body, undo and remove the two cheese head screws holding the valve plate assembly.
      8. Remove the valve plate and washer.
      9. Carefully check all items particularly the valve plate assembly, diaphragm and seating seal and replace where necessary.
        Use new gaskets as required.

      To Replace:

        Reverse the procedure outlined above.
        To assemble the operating arm, place the diaphragm assembly in position in the lower body with the seating seal in its recess.
        Squeeze the diaphragm and body together against the spring pressure and insert the forked end of the lever between the raise end of the diaphragm push rod.
        When assembling the two halves of the body together, loosely fit the screws and tighten them all a little at a time to ensure that the diaphragm which is clamped between them is sandwiched in a 'flat' condition.

L.6- AIR FILTER - Section Menu

    Click For Full Size Image[1]

    To replace air filter element (every 12,000 miles - 20,000 km):

    1. Undo and remove the locknut in the centre of the air filter unit lid using a 10 mm spanner.
    2. Remove the lid and withdraw the filter element.
    3. Fit a new filter element using only a genuine replacement.

    To remove the body.

    1. Remove lid and element as above.
    2. Mask the two carburetter inlets to avoid accidental introduction of nuts or spacers.
    3. Undo the three locking nuts.
    4. Pull the filter body off the studs. Withdraw the metal clamping ring and the upper rubber gasket from the studs.
    5. Remove the two remaining gaskets from the top of the carburetter and the three spacers.

    To replace the body.

      Reverse the removal procedure outlined above.

    Special Note.

      Air Cleaner Mounting Plate.
        Where difficulty is experienced in the air cleaner mounting plate continually becoming loosened in service, it is recommended that the securing nuts must be drilled and wire locked.

L.7 - CARBURETTOR - SOLEX F35 DIDSA - 2 - Section Menu

    General description.


      Lotus Europa models supplied for the U.K and European markets are fitted with a Solex carburettor of the above type.
      The carburettor details vary slightly according to the vehicles series and specification but the principle of operation and basic details remain the same for all carburettors without emission control.
      The Solex instrument is a twin choke and twin barrel unit, which overcomes certain disadvantages on single choke carburettors when engine outputs are increased beyond moderate ratings, particularly if it is required to provide a good part throttle performance.
      On the Europa application one barrel is tuned to give good economy at intermediate throttle openings and the other to give maximum performance when operating in conjunction with the first.
      The primary throttle is operated over its whole range by the movement of the accelerator pedal.
      The action of the secondary throttle is automatic and depends on the position of the primary throttle and the amount of vacuum in the primary throttle choke tube.
      The secondary throttle is prevented from opening by an overrider lever or ramp link Q. Fig. 5 until the primary throttle is at least two thirds open.
      Then, if the required vacuum is created in the venturis, the diaphragm in the vacuum control unit will lift and open the secondary throttle.
      These actions are shown in Fig.7.
      In order to provide extra fuel required for immediate response to sudden openings of the throttle an accelerator pump is provided as shown in service assemblies (Fig 10). (The rod linking it to the primary throttle lever may also be seen in the lower body assembly of this illustration).

    Maintenance and Slow-running Adjustment. - Section Menu


      The only maintenance required apart from servicing the air filter (see chapter L.6) [2] is to ensure that the Jets are not obstructed.
      On no account should any wire be used to clear a Jet.

    Click For Full Size Image

    Click For Full Size Image

    A - Primary Venturi
    B - Secondary Venturi
    C - Primary Main-Jet
    D - Secondary Main-Jet
    E - Primary Compensating Jet
    F - Secondary Compensating Jet
    G - Accelerator Pump Jet
    H - Primary Inner Venturi
    I - Secondary Inner Venturi
    J - Slow-running (idle) Speed
        Adjustment Screw
    K - Slow-running (idle) Speed
        Volume Screw
    L - Throttle Quadrant
    M - Choke Lever
    N - Solenoid Shut-off Valve
    O - Secondary Throttle Operating Unit
       (diaphragm Control Unit)
    P - Roller-Lever
    Q - Ramp-Link
    

    Click For Full Size Image

    Key to Fig.7

      A - Primary throttle (1) movement during which secondary throttle (2) is always closed.
      B - Primary throttle operating range, when engine speed is too low to provide the necessary suction in the primary throttle choke tube, to actuate the secondary throttle operating unit.
      C & D - Primary throttle (1) movement needed when sufficient suction exists in the primary choke tube to open the secondary throttle (2).
      (C) half way, (D) fully open.

    Slow-running Adjustment.


      This the only adjustment which should be required in normal use and is carried out as follows:
        Adjust the slow-running speed adjustment screw J in (Fig. 5) to give an engine idling speed of 850 rev/min.
        Adjust the slow-running volume control screw K so that the engine is running evenly with the screw rotated as far anti-clockwise as possible.
        Readjust the engine speed if necessary with the speed adjustment screw J.
      When this procedure is finished the engine should be running evenly at 850 rev/min, just off the 'hunting' or rich idling condition.
      This is obtained by having the volume control screw K rotated anticlockwise as far as possible consistent with even running at the idling speed.

    Carburettor faults: - Section Menu

      Excessive fuel consumption:
      1. Check that the choke is not held partly closed.
      2. Ensure that there are no fuel leaks at the inlets or joint faces and that all the jets are fully tightened.
      3. Check the sealing ring on the main jets.
      4. Check that the gaskets are not allowing air leakage. Check the condition of the diaphragm.
      5. Check that the jets are of the sizes specified.

      Bad slow-running:

      1. Check the synchronization of the throttles and the slow-running adjustments just described.
        If this is not effective check the following possible causes.
      2. Check that the idle jet is not blocked.
      3. Ensure that all the slow-running passages are clear.
      4. Check the joint between the top part of the carburettor and the float chamber for possible air leaks.
      5. Apply a little jointing compound to the faces of the heat insulator Joint.
      6. Check the condition of the tapered end of the slow-running volume control screw and its spring.
      7. Examine the throttle spindle for wear.

      Difficult starting:

      1. Check fuel pump operation and float chamber level.
      2. Ensure that the choke butterfly closes completely.
      3. Check that the throttle opens to the fast-idle position for starting.
      4. Examine the choke control for failure to remain in the closed position after setting. If the choke creeps back when released it can be stiffened up by slightly bending the inner cable.
      5. Difficulty in starting when hot is usually caused by an over-rich mixture and provided that there is not a constant flooding, will normally be overcome by gently opening the throttle wide and holding it so when operating the starter.

      Poor top speed performance:

      1. Ensure that the throttle butterfly is opening fully.
      2. Check the fuel supply to the float chamber. Low output pressure from the fuel pump may cause starvation under full throttle conditions.

    Removing and Refitting the Carburettor. - Section Menu


      To Remove:
        Disconnect the battery cables (earth first).
        Remove the rear luggage compartment, by undoing the two bolts set in the floor of the unit.
        Take care to note the quantity and position of the spacer washer situated between the cross member and the under-surface of the compartment.
        Remove the air filter and body (see section L.5).

        Click For Full Size Image
        At the carburettor (Fig.8) disconnect the following controls

          - the lead from the solenoid valve.
          - the vacuum pipe.
          - the choke wire.
          - the accelerator return spring.
          - the fuel pipe.
          - the accelerator cable at the 8 mm. hex clamp bolt.
        Remove the 'E' clip from the accelerator quadrant post and pull off the quadrant.
        Undo the two worm-drive hose clips and pull the manifold heater pipes from their unions at the right hand base of the manifold.
        Remove the carburettor securing nuts and washers and lift off the instrument.
        Blank off the flange on the inlet manifold to prevent the entry of any foreign matter.

      To Refit:


    Dismantling the Carburettor. - Section Menu

      Click For Full Size Image
      On inspection it will be seen that the carburettor comprises three basic assemblies:

      1. The upper body, containing the choke plate, float chamber cover and secondary throttle vacuum control housing.
      2. The main body, containing the venturis, jettings, float chamber and accelerator pump.
      3. The lower body, containing the throttle plates and their inter-connecting linkages.
      The instrument can be dismantled into these three assemblies without disturbing the basic settings if care is taken.
      Access to the jets or float can be made of course by removing the upper body only.
      Before dismantling it is suggested that a gasket kit be obtained - separating the bodies of instruments that have seen long service without being disturbed previously, can result in torn gaskets.

    To remove the upper body.

    1. Remove the solenoid valve initially to avoid possible damage in further dismantling.
    2. Remove the small hair-pin clip at the lower end of the secondary throttle operating rod, and pull the mechanism (complete with its nylon bush) away from the post on the throttle spindle roller arm.
    3. Slacken the 7 mm. hex. clamp screw on the upper end of the choke control rod.
    4. Remove the five cheese head screws and washers securing the upper body to the main body and carefully lift the assembly off. Care must be taken
      1. not to damage the gasket or the locating dowels adjacent to the float chamber,
      2. not to loose or damage the small damper spring attached to the lower part of the float needle valve.

    To remove the lower body from the main body.
    1. Lift the float and spindle from the main body.
    2. Lift the accelerator pump jet complete with spring from its recess in the primary venturi of the main body. From beneath the instrument:
    3. Remove the two cheese head screws securing the lower body (containing the throttle plate assembly) to the main body.
    4. Pull the assembly away from the main body taking particular came not to damage the gasket.

      Click For Full Size Image
      Having broken the instrument down into the three basic components, no difficulty should be experienced in further dismantling if reference is made to the very comprehensive exploded view shown in Fig.10.
      The secondary throttle vacuum control housing and the accelerator pump may be further removed from top and main bodies respectively as follows:

    To remove the vacuum control housing from the upper body:

    1. Remove the two 8 mm. hex. Nyloc nuts, spring and plain washers securing the housing to the upper body.
    2. Remove the control housing.
    3. Carefully separate the gasket from the control housing or upper body taking care not to damage the very small restrictor jet situated in the mating face of the vacuum control housing. Further dismantling of this component is not to be advised as this is serviced only as a factory sealed unit.

    To dismantle the accelerator pump (situated in the main body).
    1. Remove the 8mm. hex. bolt and spring washer securing the choke control wire bracket to the main body.
    2. Remove the four semi-countersunk headed screws securing the accelerator pump cover to the main body.
    3. Remove the cover complete with lever and control link. (care must be taken when separating the cover not to damage the diaphragm which is sandwiched between the cover and the main body).
    4. Remove the diaphragm and spring.

    Assembling the carburettor. - Section Menu
      Assembly is a reversal of the dismantling procedure outlined above.
      Scrupulous cleanliness should be observed during the ensuing assembly procedures.
      All parts should be carefully cleaned and checked for damage and/or correct operation, as each unit is assembled.

      To assemble the accelerator pump:

      1. Reverse the dismantling procedure.
      2. When replacing the spring, ensure that the wider diameter end is placed in the recess of the main body and that the smaller diameter is located against the pressure plate of the diaphragm.
      3. Loosely attach the cover with the four semi-countersunk screws and check that the diaphragm is in an undistorted condition before finally tightening the screws evenly.

      To assemble the lower body.
        In the event of the throttle plates and spindles having been removed from this component, they must be assembled carefully in the correct sequence and their interconnected actions synchronized.
        This action is determined automatically in the manufacture of the components and cannot be adjusted.

          Click For Full Size Image

        1. Assemble the secondary spindle in the lower body (the roller lever arm should be fitted to the rear of the unit.
        2. Assemble the secondary throttle plate into the slot in the spindle. The two fixing screws should be fitted, heads downward with the plate in the closed position, and the roller lever should lie at approx. 45° to the horizontal (see Fig. 9)
        3. Fit this spacer and nut (12 mm.hex).
        4. Assemble the primary throttle spindle with the longer shaft projection to the rear of the body.
        5. Fit the primary throttle plate so that when it is in the closed position the riveted link and nylon bush on the front end of the spindle should be in the downward position.
        6. Fit the two fixing screws (Heads downwards) with the throttle plate in the closed position.
        7. Place the throttle closing spring over the cast boss on the lower body. The curved end of the spring should hook under the right-hand stop that is adjacent to the boss.
        8. Add the two slot-washers onto the flatted end of the throttle spindle (smaller diameter washer first).
        9. Fit the ramp link onto the spindle. Hook the curved end of the closing spring under the slow running adjustment stop and the left hand hooked end onto the under-surface of the ramp link.
        10. Wind the ramp link approx. 40° against the action of the spring in an anti-clockwise direction and hook the straight lead of the ramp under the roller of the secondary throttle spindle lever.
        11. Insert the brass spacer.
        12. With the primary throttle plate in the closed position the flats of the spindle should be at approx. 45° to the horizontal i.e.; in-line with the secondary roller lever (see Fig. 9).
        13. Fit the slow running arm complete with adjustment screw and spring with the locating dowel facing rearwards.
        14. Fit the remaining brass spacer.
        15. Fit the choke link (the cranked end containing the nylon bush should be facing forward and to the right.
        16. Add the throttle lever (ball end upwards and rearwards) positioning it over the locating dowel of the slow running arm.
        17. Fit the remaining 12 mm. hex. nut and tighten.
        18. Finally check the assembly for correct operation.

        The primary throttle should be free to travel to approximately 2/3rd open position before it is arrested by the stop on the rear of the slow-running arm. The remaining third open position can be effected by operating the secondary throttle roller lever until both plates are fully open.
        When assembling the lower body to the main body, ensure that the mating surfaces of the components are clean and that the gasket is in good condition.
        Refit the two cheese head screws and spring washers securing the lower body to the upper.
        Check that the secondary throttle is fully closed after this operation and only adjust the limit screw that bears against the under-surface of the float chamber if this condition does not exist.
        Tighten the lock nut if necessary and re-connect the accelerator pump link.

      To assemble the upper body (see special note at end of chapter).
      1. Reverse the dismantling procedure outlined previously.
      2. Replace the float and spindle into the main body.
      3. When replacing the accelerator pump jet ensure that the jet tube is placed in the primary venturi slot.
      4. When refitting the gasket between main and upper bodies, care should be taken to ensure that the gasket is fitted in the correct position i.e.; the offset aperture and the two extra holes should be on the primary or choke side of the instrument.
      5. Loosely attach the five clamping screws with their washers and spring washers and tighten down evenly (Note: it is recommended that in order to avoid possible future identification difficulties, the manufacturers tag be replaced).
      6. Finally connect up the choke/throttle link. (the top is marked for initial clamping screw location purposes).

      To refit the vacuum control housing.
      1. Reverse the procedure outlined previously.
      2. Reconnect the control link to the post situated on the opposite end of the roller arm of the secondary throttle.
      3. Refit the small hair-pin clip. Install the solenoid valve, being careful to tighten it to a torque of 2 lbs. ft.
        Special Note.
        In view of their similarity care must be taken that the pilot jets, main Jets, choke tubes etc. are fitted in their correct positions (see Technical Data).

L.8 - CARBURETTOR - SOLEX 26DIDSA - 5F (EXHAUST EMISSION CONTROL) - Section Menu

    General description of the system.

      The Renault double carburation system (D.C.S) is an exhaust emission control system which modifies the induction system of the" engine to achieve emission control by minimizing the initial formation of unburned hydrocarbons and carbon monoxide gases.
      A Lotus Europa equipped with this system meets the applicable Federal Requirements.
      The main features of the Ranault D.C.S system are:
      1. Special pistons with reduced clearance at the top - a design, which contributes to lowering the hydrocarbon emissions (see Technical Data).
      2. Intake manifold and cylinder head with separate ports, which give a better distribution of the fuel/air mixture to the cylinders.
      3. An ignition distributor with special centrifugal and vacuum advance curves.
      4. A positive crankcase ventilation system complying with the applicable requirements.

        Click For Full Size Image

      5. The special dual throttle carburettor (dealt with in the ensuing section) is fitted with a vacuum controlled progressive linkage (see fig.12).
      The primary throttle has a smaller cross section being designed to meet the engine requirements at moderate speeds and engine loads, which are the prevailing conditions in city driving.
      The secondary throttle with the large cross section comes into use to meet engine requirements for heavier loads and higher speeds.
      To ensure that the secondary throttle of the curburetter comes into action at the correct time in order to satisfy the engine requirements, an actuating device which is sensitive to the engine demands is necessary.
      The progressive linkage selected for the Renault D.C.S. system makes use of a vacuum diaphragm unit.
      The vacuum which actuates the diaphragm is taken from the venturis of the two throttles. In the venturis, the vacuum increases when the throttle plates are opened, and further increases as the engine speed rises.
      As a result the action of the diaphragm is progressive and provides a smooth transition from the primary to secondary throttle.

    Periodic Maintenance

      To maintain the efficiency of the D.C.S. system, periodic maintenance is required.
      The maintenance intervals are the same as those recommended for the U.K and European vehicle (i.e., without the D.C.S. system) and are covered under Section O 'Lubrication and Maintenance'.

    Maintenance and slow-running adjustments - Section Menu


      Normal idle:
        The Solex 26-32 DIDSA carburetter which is used with the Renault D.C.S. system does not have an idle speed adjustment screw acting on the opening of the throttle plate to obtain the required flow of air.
        The screw acting on the opening of the throttle has been replaced by a screw acting directly on the flow of air through the external idle air circuit.
        The screw acting on the air flow is designated 'air screw', and the screw acting on the air/fuel mixture is designated 'petrol screw' (1 and 2 respectively of Fig. 13).

      Procedure:
        Ensure that the ignition system is in good operating condition and that its adjustments are within specifications.
        Connect an electronic tachometer which is accurate to + 2.5%.
        Run the engine until it reaches normal operating temperature (i .e. until the radiator fan starts running).

          Click For Full Size Image


      First step (Fig, 13):
        The aim here is to adjust both the air adjustment screw (1) and the petrol adjustment screw (2) so that when normal idle speed has been adjusted at 1050 r.p.m, by the air adjustment screw, turning the petrol adjustment screw clockwise, or anti-clockwise, lowers the engine r.p.m.
        To obtain this condition proceed as follows:
        1. Turn the air adjustment screw (1) until 1125 r.p.m, is obtained.
        2. Turn the petrol adjustment screw (2) until the idle speed reaches the maximum obtainable.
        3. Turn the air adjustment screw (1) until 1125 r.p.m, is obtained once again.
        4. Turn the petrol adjustment screw (2) until the idle speed reaches the maximum obtainable.
        5. Repeat operations '3' and '4' until the maximum idle speed which can be obtained by turning the petrol adjustment screw (2) is 1125 r.p.m.

      Second Step:
        The aim of the second step is to 'lean out' the mixture to the point where the idle speed is lowered to 1050 r.p.m. To perform this adjustment, proceed as follows:
          Turn the petrol adjustment screw (2) CLOCKWISE until the idle speed is lowered to 1050 r.p.m.
          Please note that particular care MUST BE TAKEN to ensure that this adjustment is performed with precision, because the level of carbon monoxide emissions depends for a large part UPON ITS ACCURACY.

    Positive crankcase ventilation system (Fig. 14) - Section Menu

      Click For Full Size Image
      Crankcase fumes are drawn from the crankcase via the rocker cover.
      These Fumes enter the engine intake system through tubing connected to the carburetter upper body.
      Direction of flow of the fumes is controlled by an AC valve (4) located in the tubing connected to the intake manifold.
      This meters the flow of fumes to the intake manifold during times of high intake manifold vacuum, so that the major portion of fumes are drawn into the carburetter.
      When intake vacuum drops during more open throttle operation, spring tension in the valve overcomes the effect of the vacuum, opening the valve, and permitting full flow of fumes into the intake manifold.
      A flame arrestor (3 of Fig. 13) is located in the tubing to the carburetter.
      If due to some engine malfunctioning backfiring should cause flame to flash through the carburettor, the flame arrestor prevents the flame passing through the tubing to the crankcase, thereby avoiding possible additional damage to the engine.
      Maintenance of the system is based upon inspection and cleaning at the recommended intervals. The valve and flame arrestor should be cleaned in paraffin and the tubing inspected for possible leaks.


    Removing and Refitting the Carburettor. - Section Menu

      Removing.
        Disconnect the battery cables (earth first).
        Remove the rear luggage compartment by undoing the two bolts set in the floor of the unit; take care to note the quantity and position of the spacer washers situated between the cross member and the under surface of the compartment.
        Remove the air filter and body (see section L.6).
        Undo the worm drive pipe clip at the right hand side of the emission control valve housing and remove the pipe.
        Undo the pipe clip by means of key (part No 46E 6433) at the left hand side of the emission control valve housing and remove the pipe.
        Undo the 12 mm. hex. union at the float chamber and pull the fuel line clear of the carburettor.
        Pull the two remaining hoses away from the pipe entry above the choke plate complete with the 'Tee' piece.
        At the carburettor disconnect the following controls:
          - the emission control valve and choke rod. (Slacken the 8 mm. hex. clamp bolt and pull the rod clear).
          - the lead from the solenoid valve.
          - the vacuum pipe.
          - the accelerator return spring.
          - the accelerator cable at the 8 mm. hex. clamp bolt.
        Remove the 'E' clip from the accelerator quadrant post and pull off the quadrant.
        Undo the two worm-drive hose clips and pull the manifold heater pipes from their unions and the right hand base of the manifold.
        Remove the carburettor securing nuts and washers and lift off the instrument. Blank off the flange on the inlet manifold to prevent the entry of any foreign matter.

      Refitting.

    Dismantling the Carburettor. - Section Menu

      In order to ensure compliance with the Federal Regulations on air pollution control, the carburettor adjustments are factory set.
      This consequently influences the degree of dismantling permitted.
      The following operations are the only ones which may be performed and dismantling procedure is described only to achieve these ends.
      1. Removing and replacing the upper body (for eventual replacement) of gaskets, jets, float, needle valve, accelerator pump, check valve.
      2. Replacing the vacuum diaphragm control unit with a new one.
      3. Replacing the idle jet fuel shut-off solenoid valve with a new one. (When installing this solenoid valve, care should be taken to tighten it only to a torque of 2 lb/ft).
        If the operations listed above are not sufficient for restoring the proper operation of the carburettor, replace the carburettor with a new one.

      To remove the upper body.
      1. Remove the solenoid valve initially to avoid possible damage in further dismantling.
      2. Disconnect the robber tubing from the emission control valve housing adjacent to the choke.
      3. Remove the small hair-pin clip at the lower end of the secondary throttle operating rod, and pall the mechanism (complete with its nylon bush) away from the post on the throttle spindle roller lever.
      4. Remove the five cheese head screws and washers securing the upper body to the main body and carefully lift the assembly off.
        Care must be taken
        1. not to damage the gasket or the cast locating dowels adjacent to the float chamber.
        2. not to lose or damage the small damper spring attached to the lower part of the float needle valve.

      To assemble the upper body.
      1. Reverse the dismantling procedure outlined previously.
      2. Replace the float and spindle into the main body.
      3. When replacing the accelerator pump jet ensure that the jet tube is placed in the primary venturi slot.
      4. When refitting the gasket between main and upper bodies, care should be taken to ensure that the gasket is fitted in the correct position i.e.; the offset aperture and the two extra holes should be on the primary or choke side of the instrument.

      To remove the vacuum diaphragm control unit.
      1. Remove the two 8 mm. hex. Nyloc nuts, spring and plain washers securing the housing of the control unit to the upper body.
      2. Remove the control housing.
      3. Carefully separate the gasket from the control housing or upper body, taking care not to damage the very small restrictor jet situated in the mating face of the control housing.
        Further dismantling of this component is not to be advised, as this is serviced as a factory sealed unit only.

L.9 - CHOKE CONTROL - Section Menu

    To Remove.

    1. Remove the arm rest and foam padding from the backbone tunnel top. The arm rest is clipped into position at the front and rear.
    2. Disconnect the inner cable at the carburettor and pull the cable forward through the outer casing from its location on the backbone tunnel top.
    3. The outer casing can be removed by releasing it at the carburettor clamp and unscrewing the locking ring securing it to the bracket bolted to the tunnel top.

    To Replace.

    1. Replacing both the inner cable and the outer casing is a reversal of the removal procedure. Care should be taken to ensure that the cable is not fouled and that the control is not kinked or follows any excessively sharp bend.
    2. Check that the grommet is fitted correctly where the outer casing passer through the bulkhead.
    3. Adjust the control so that there is approximately 1/16" clearance between the inner cable and outer casing at the knob with the choke in the maximum open position.

L.10 - THROTTLE - Section Menu

    To Remove.

    1. Disconnect the inner cable at the carburettor clamp screw at the throttle quadrant.
    2. Remove the arm-rest and foam padding from the backbone tunnel top. The arm-rest is clipped into position at the front and rear.
    3. Undo the split pin and remove the pin from the clevis at the throttle pedal.
    4. Pull the inner cable forward through the outer casing at the bracket on the backbone tunnel side.
    5. Undo the two Nyloc nuts and remove the bolts securing the heater and choke controls bracket to the backbone tunnel.
    6. Undo the throttle cable adjustment screw and locknut at the bracket on the engine rocker cover.
    7. Undo the two cross head screws securing the front end of the tunnel trim to the facia and carefully lift the trim away, detaching the leads to the window switches in the process.
    8. Pull the carpet trimming clear of the throttle outer casing along the tunnel if necessary. Peel back the sound proofing material local to the throttle cable entry in the bulkhead.
    9. Carefully pull the outer casing rearwards from the grommet in the bulkhead feeding it through from the interior of the vehicle.

    To Replace.

    1. Replacing both the inner cable and the outer casing is a reversal of the removal procedure. Check that the outer casing is not fouling and that its 'run' is not kinked or excessively curved.
    2. Check that the grommet is fitted correctly where the outer cable passes through the bulkhead.
    3. Replace carpet etc. using suitable adhesive.
    4. Check for correct operation and adjust if necessary.

L.11 - EXHAUST EMISSION CARBURETTERS (Solex DIDSA 5 and DIDSA 9) - Section Menu

    Further to the information published in Section 'L.8', the following information on difficulties which could arise in Service, also applies.
    The carburetters can be regarded as having three separate functions, these being:

    1. Provision for cold starting (Fig. 15)
    2. Provision for idling with strict control of emissions (Fig. 16)
    3. Normal running of the engine (Fig. 17)

    Click For Full Size Image

    Cold Start System

      The driver's choke control operates indirectly a strangler plate in the primary choke.
      A lost motion linkage provides for an override control operated by a piston influenced by engine depression.
      The air bleed for the slow running by-pass system is positively closed, by operating the choke control fully through a plate valve contained in the choke/by-pass housing.
      For starting an engine from cold, the sequence of operations is therefore:
      1. Apply full choke:
        This closes the slow running by-pass valve and should close the strangler plate.
        It also opens the throttle butterfly in the primary choke a pre-determined amount to provide a fast idle.
      2. Energize the starter motor:
        The depression created in the inlet manifold will draw a rich mixture from the carburetter.
        Excessive depression, acting on the override control in the carburetter, will automatically open the strangler plate to avoid flooding.
      3. Allow the engine to fast idle until normal operating temperatures are reached, progressively returning the choke control to maintain even running.

    Starting an Engine from Warm
    1. Apply partial choke - energize starter:
      This will provide a richer mixture by partially opening the strangler plate.
      The primary throttle butterfly may be partially opened and the slow running bypass may be slightly closed.
    2. Progressively return the choke control to maintain even running.

    Starting an Engine Hot
    1. Partly open the throttle - energize starter.

    Click For Full Size Image

    Slow Running (idle) System

      In order to comply with emission requirements, strict control of the idle mixture is required.
      For this reason the 'normal' idle stop screw is not fitted, control of the idle r.p.m, and mixture being given by the air bleed screw, (1 of Fig. 13) and the idle mixture screw (2 of Fig. 13). The screw (B of Fig. 13), which is locked with a paint (or similar) is Factory set and MUST NOT BE ADJUSTED.
      The purpose is to control the amount of throttle opening on fast idle (when the choke is in use) but misadjustment can open the throttle butterfly at all times, making it impossible to properly set the idle/r .p.m. mixture.

    To Set Idle R.P.M.

      Before setting the idle r.p.m. (ideal setting 1050 r.p.m., acceptable 950 r.p.m.) it is essential to ensure that the following items are in correct condition:
      1. Valve clearances (cold)
      2. Distributor C.B. gap
      3. Sparking plug points gap
      4. Ignition timing

      NOTE: All of the above information is contained in 'Technical Data'.

    Click For Full Size Image

    Normal Running

      Other than the cold start system and the emission idle circuit, both of which are out of operation when driving at higher r.p.m., the remainder of the carburetter is normal Solex in operation, that is, it has the standard functions of a fixed carburetter.

    Fault Diagnosis

      IT IS ASSUMED THAT THERE IS AN ADEQUATE SUPPLY OF PETROL TO THE CARBURETTER AND THAT IGNITION SYSTEM, SPARKING PLUG GAPS AND VALVE CLEARANCES ARE CORRECTLY SET AND IN GOOD ORDER.

      1. Difficulty in Starting a Cold Engine
        Check that the strangler plate is moving in harmony with the choke lever, if not - why not.
        Look for bent spindle, seized spindle, control piston seized or jammed in bore (visual check).

      2. Erratic Idle
        Check that the Factory set screws have NOT been disturbed.
        Reset idle by approved method ONLY.
        Check solenoid valve jet and the idle mixture screw for blockage.

      3. Incorrect Idle
        Check that the Factory set screws have NOT been disturbed.
        Check throttle mechanical linkage to ensure proper return of throttle butterfly to closed position.
        Check choke mechanical linkage to ensure proper return of choke linkage to 'off' position.
        Check freedom of movement of fast idle actuating rod.
        Reset idle by approved method only.

      4. Resetting after Maladjustment
        Should any alteration have been made to the Factory set screws these should be reset to the original positions (if known).
        Where the original setting has been completely lost the following procedure should be carried out.
        This will give an approximation to the original settings.

      5. Screw B of Fig. 13.
        Unlock the screw and screw out (anti-clockwise) until with the throttle mechanism held shut, play can be felt between the fast idle link and the operating rod. Now screw in (clockwise) the fast idle screw to give approximately .005 in. (.127 mm.) free play.

      6. Screw A of Fig. 13.
        Adjustment of this screw should be carried out with the engine running.
        From idle slowly open the throttle.
        If a 'hesitation' or 'flat spot' is apparent, the screw should be turned anti-clockwise until the 'hesitation' just disappears.
        Relock the screw.
        The normal running adjustment should now be carried out.

        IN ALL CASES BEFORE MAKING ANY ADJUSTMENT ENSURE THAT THE SCREW SETTINGS ARE AS ORIGINAL.

        N.B. [3] BEFORE ATTEMPTING TO RECTIFY A REPORTED DEFECT IN CARBURATION ENSURE:

        1. CORRECT VALVE CLEARANCES AND CONDITION
        2. CORRECT IGNITION SETTING AND CONDITION
        3. THAT FACTORY SET SCREWS ARE ORIGINAL, OR THAT RESETTING AFTER MALADJUSTMENT HAS BEEN CARRIED OUT
        4. THAT THE AIR CLEANER ELEMENT IS NOT PARTIALLY BLOCKED - THIS SERIOUSLY AFFECTI NG PERFORMANCE

        Note on Idle Mixture
        Because of the exhaust emission requirements the maximum available mixture for idle is necessarily kept to the minimum.
        It has been found on occasion that the fuel requirements of the engine in service may, under certain conditions, exceed the maximum supply.
        Should this happen IN U.K. CARS ONLY, the slow running jet may be increased in size.
        Both '50' and '60' jets are available.
        Naturally before any action is taken in this respect, the points detailed above and the general condition of the engine should be checked.

        Where the idle mixture screw has to be screwed out so far that it is no longer in safety, the orifice may be drilled out from .5 mm. to .6 mm. (see sketch).
        This allows the needle to be further in for the same flow.


    Difficult Cold Starting attributable to carburation.
      Remove top cover of air cleaner and visually check that strangler plate closes when full choke is applied.
      If not, check reason for limited movement and rectify.

    'Hang Up' on Idle R.P.M.
      Check that throttle mechanism is free to return to 'throttle closed' position - rectify.
      Remove air cleaner and re-check for 'hang up'. If absent, fit new air cleaner.
      If screw 1 of Fig. 13 has been disturbed, weakening (by turning clockwise) may make an improvement.

    'Running-On'
      With r.p.m, at idle disconnect solenoid shut off valve at "Lucar" terminal.
      If engine continues to run, replace solenoid valve.
      Other than faults common to all carburetters - blocked jets etc., experience indicates that the majority of problems are caused by tampering with the pre-set screws.
      GOING BACK TO STANDARD will normally rectify obscure problems.

L.12 - 1971 EVAPORATIVE LOSS CONTROL (EXHAUST EMISSION) - Section Menu

    Click For Full Size Image

    To eliminate fuel vaporization into the atmosphere and thus comply with the 1971 U.S. Federal Motor Vehicle Safety Standards, an 'evaporative circuit' has been incorporated into the fuel system.

    Click For Full Size Image Click For Full Size Image Click For Full Size Image

    The evaporative loss control system consists basically of the fuel tank vented into a catch tank, which will collect overflow fuel during conditions of extreme heat, or violent vehicle maneuvers. When the engine is off, vapor from both the fuel tank and the carburetter float bowl, are collected by an activated charcoal canister. When the engine is running, the float bowl is vented directly into the carburetter by the action of a throttle operated valve. 'Purge' air is drawn into the bottom of the charcoal canister and carries the vapor into the engine, either through the carburetter on wide throttle openings, or directly into the inlet manifold on small throttle openings. This distribution is achieved by the use of an AC valve in the manifold, which is closed at low manifold depression and opens at a higher manifold depression.

    The system is effectively maintained by renewing the charcoal canister at intervals of every 48,000 miles (60,000 km.).

Editors Notes:

    [1] Original Figure was mislabeled Fig. 3. Changed to Fig.4.[JJ]
    [2] Original stated 'see chapter L.5.' Changed to 'see chapter L.6' [JJ]
    [3] N.B.: An abbreviation for the Latin phrase 'nota bene', meaning 'note well.' It is used to emphasize an important point. [BB]

Other Notes: [edit]
This area is a public scratchpad for notes.
Please be courteous with what you post, and do not erase someone else's work.

Section Menu