LOTUS EUROPA TC/TCS WORKSHOP MANUAL

Section L -- Fuel System

Lotus Europa Central -- Tech Specifications -- TC/TCS Workshop Home -- Manuals Home -- Feedback
ProceduresIllustrations
Sec Description
L.1 General Description
L.2 Fuel System
L.3 Fuel Tanks
L.4 Fuel Tank Sender Unit
L.5 Fuel Gauge
L.6 Fuel Pump
L.7 Dellorto Carburetters - Description
L.8 Dellorto Carburetters - Removal - Adjustment
L.9 Zenith Stromberg Carburetters - Description
L.10 Zenith Stromberg Carburetters - Removal
L.11 Zenith Stromberg Carburetters - Adjustment
L.12 Zenith Stromberg Carburetters - Cleaning
L.13 Zenith Stromberg Carburetters - Overhaul
L.14 Air Cleaner
L.15 Evaporative Loss Control
L.16 Choke Control
L.17 Throttle Cable
Fig Description
1 Fuel Pump
2 Dellorto Starting Circuit
3 Dellorto Idle & Progression Circuits
4 Dellorto Acceleration Circuit
5 Dellorto Main Circuit
6 Dellorto Adjusting Screws
7 Dellorto Float Chamber
8 Dellorto Components
9 Zenith Stromberg Cross Section
10 Zenith Stromberg Starting Device
11 Zenith Stromberg Emission System
12 Zenith Stromberg Settings
13 Zenith Stromberg Components
14 Lotus Tool T.339
15 Air Cleaner Assembly
16 Evaporative Loss Control
   
Click here to open a new window containing a searchable PDF copy. (2,200K)

L.1. - GENERAL DESCRIPTION - Section Menu

    The fuel system comprises of two fuel tanks, one at either rear quarter in the engine compartment, the tanks being inter-connected. Separate fillers are provided for each tank, therefore it is necessary to fill both tanks when re-fuelling. By filling one tank only, an initial false reading will be given on the fuel gauge UNTIL the fuel level is balanced in both tanks.

    Use fuel having a MINIMUM rating of 101 octane. This is equivalent to 'Super' grade, or '5 star'.

    A further pipe connects the tanks to the diaphragm type mechanical fuel pump mounted on the right-hand side of the engine and driven by the jackshaft (auxiliary shaft). From the fuel pump, a further pipe delivers fuel to the carburetters.

    Either two side draught Dellorto, or two side draught Zenith-Stromberg carburetters (see respective sections dealing with carburetters and also 'TECHNICAL DATA') are used.

L.2. - FUEL SYSTEM - Section Menu

    To Clean.

    1. Remove the air cleaner and clean both the body and element.
    2. Disconnect the fuel supply pipe at both the carburetters and the fuel pump.
    3. Remove and clean the carburetters (see 'ENGINE TUNE')
    4. Using an air line, blow through the previously disconnected fuel feed pipes between carburetters and fuel pump. Replace the pipe.
    5. Disconnect the pipe between the fuel tanks and the fuel pump. Blow through using an air line. Replace the pipe.
    6. Remove the fuel pump sediment bowl and filter, wash in clean petrol and refit.
    7. Replace the air cleaner.

L.3. - FUEL TANK - Section Menu

L.4. - FUEL TANK SENDER UNIT - Section Menu

L.5. - FUEL GUAGE - Section Menu

L.6. - FUEL PUMP - Section Menu


    Description

      Click For Full Size Image
      Fuel is drawn from the fuel tank by the pump, which is secured to the engine block and is driven by an eccentric on the jackshaft.
      The pump consists of two main bodies, which clamp a diaphragm between their outer flanges.
      The lower body assembly comprises a rocker arm and link, both of which pivot on a pin located in the body; attached to the link is the pull rod incorporated in the diaphragm assembly.
      To protect the diaphragm from the crankshaft oil splash, an oil seal us located at the point in the lower body where the push rod passes through.
      A return spring is interposed between the undersides of the diaphragm and the lower body, the spring determining the pump output pressure, (see 'Technical Data').
      A further spring is fitted between the rocker arm and the body for the purpose of ensuring that the rocker arm is in contact constantly with the eccentric on the jackshaft.
      Assembled in the upper body are two valve assemblies, one being opened by suction, the other by pressure.
      Both valves are held in position by a recess in the upper body, which is then staked.
      Both inlet and outlet valve assemblies are identical in construction and are renewable and interchangeable.
      Also incorporated in the upper body is a filter gauze which is held in position with a domed glass top cover and gasket, this in turn being held by a centre screw clamping the cover to the upper body.


    To Remove Fuel Pump.
    1. Disconnect the pipes from the inlet and outlet bosses of the fuel pump. Seal off the ends of the pipes to prevent the ingress of foreign matter.
    2. Remove two fuel pump retaining bolts and lock washers, and withdraw fuel pump and gasket from cylinder block.

    To Dismantle.
    1. Before commencing to dismantle, clean exterior of pump and scribe a line across the lower and upper body flanges of the pump for location purposes during reassembly.
    2. Remove domed glass top cover of pump also gasket and filter gauze.
    3. Remove the screws and spring washers securing the lower and upper bodies together and separate the two bodies.
    4. The valve assemblies are 'staked' in position and it is necessary to relieve this 'staking' in order to remove valves.
    5. From the lower body remove the diaphragm and pull rod assembly, first turning the assembly through an angle of 90° in order to free the rod from the link in the rocker arm assembly.
      NOTE: The diaphragm and pull rod are a permanent assembly and no attempt should be made to separate the two parts.
    6. Lift out the diaphragm return spring and, when fitted, remove oil seal retaining washer and oil seal.
    7. Providing that the rocker arm pin is held firmly in the lower body it should not be necessary to remove the rocker arm pin or associated parts unless undue wear is in evidence. Should it be necessary to remove the rocker arm from body, the following procedure should be adopted:
        The rocker arm and associated parts are located by two retainers, which are fitted into slots at engine face of castings, the retainers in turn being held by punch indentations at each end of retaining pins.
        To remove the rocker arm, hold rocker arm firmly in suitable vice and with two flat bars approximately 12 in. long (30.5 cm.) insert one each side in the gap between the casting and vice, lever the body away from the rocker arm and pin. NOTE: Care should be taken that the type of removing bars used are flat to ensure that the body machined face is not damaged.

    Inspection and Overhaul.
    1. Thoroughly wash all parts in clean paraffin, ensuring that valves am cleaned separately if being used again.
    2. Check the diaphragm for hardening or cracking and examine the lower extremity of the pull rod, where it connects with the rocker arm link, for wear. Renew the diaphragm assembly if any of these signs are in evidence.
    3. Check diaphragm return spring, if corroded or damaged, it should be replaced.
    4. Visually check valve assemblies, if any doubt exists, replacement valves should be fitted. The two valves are identical and can be used for either application by inverting their positions.
    5. Examine the rocker arm face pad for wear. Slight wear is permissible but should not exceed a depth of .010 inches.(.254 mm). Check rocker arm pin and link holes for wear, also the underside of link where diaphragm pull rod engages for wear. Badly worn or damaged parts should be renewed. Check rocker arm return spring.
    6. Discard old oil seal and gaskets.
    7. Examine upper and lower bodies for cracks or damage. If either the diaphragm or engine mounting flanges are distorted, these should be lapped to restore their flatness. Renew if either distortion is excessive.

    To Re-assemble.
      The re-assembly of the rocker arm into the body is as follows:
        Assemble rocker arm, link and spacing washers onto rocker arm pin, place rocker arm return spring into body and insert rocker arm assembly into body of pump.
        Ensure that the rocker arm return spring is properly engaged between locating 'pips' on casting and rocker arm.
        Tap two new pin retainers into slots in the body and, while holding the retainers hard against the rocker arm, pin punch over the end of the slots with a 1/8 in. (3.17 ram.) pin punch to prevent retainers working loose.
        NOTE: When refitting arm pins, always use new service replacement retainers (coloured copper for identification). These are slightly shorter than the original type to allow for new staking.
        Fit new oil seal washer and steel retaining washer into the lower body.
        Place the diaphragm return spring in position over oil seal retaining washer.
        Place the diaphragm assembly over the spring, with the pull rod downwards and with the locating tab on the diaphragm at the twelve o'clock position.
        Press down on the diaphragm at the same time turning the assembly to the left in such a manner that the slot on the pull rod will engage the fork in the link, ultimately turning the assembly a complete quarter of a turn to the left, which will place the pull rod in its correct working position in the link.
        This will also permit the matching up of the holes in the diaphragm with those on the pump body flange and the tab will now be at the nine o'clock position.
        Place the new valve gasket in the upper body around the valve ports.
        Place valve assembly in inlet port with spring facing outwards.
        Fit other valve in the outlet port position with spring inside the port.
        When refitting re-stake valve in four positions by using a suitable punch.
        Refit filter gauze in top of upper body, also glass domed cover with new cover gasket.
        Fit central clamping screw. The upper and lower bodies can now be fitted together as follows:
          Push the rocker arm towards the pump body until the diaphragm is level with the body flange.
          Place the upper half of the pump body into its correct position by aligning the scribed lines mode on the two flanges prior to dismantling.
          Replace the securing screws and spring washers and tighten only until the heads of the screws engage the washers.
          Push the rocker arm away from the pump so as to hold the diaphragm at the top of the stroke and while so held, tighten the body screws diagonally and securely.
        IMPORTANT. After assembling in the manner described above, the edges of the diaphragm should be flush with its two clamping flanges.
        Any appreciable protrusion of the diaphragm indicates incorrect fitting in which case, special care should be taken in maintaining downward pressure on the rocker arm while the diaphragm screws are finally tightened.

    To Replace.

    1. Clean the mounting face on the cylinder block, removing any trace of gasket, which may be adhering to the face. Fit a new gasket to the cylinder block flange, holding it in place with a smear of grease.
    2. Insert the rocker arm through the hole in the cylinder block so the arm lies on the camshaft eccentric.
    3. Secure the fuel pump to the cylinder block with two spring washers and bolts, tightening the bolts evenly to the torque loading given in 'Technical Data'.
    4. Ensure that the pipe joints are clean and refit the fuel pipes.
    5. Run the engine and check for leaks at the joints.

L.7. - DELLORTO CARBURETTERS - DESCRIPTION - Section Menu

    Cars designed for use in domestic (United Kingdom) markets are equipped with Dellorto Carburetters. These are very similar in both the operation and physical appearance as Weber carburetters used on Twin - Cam engines on the other Lotus vehicles.

      Click For Full Size Image

      Starting (Figure. 2.)

        Fuel from the tanks is delivered to the banjo, (2) then through the filter (1) to the float chamber via the needle valve, (15) and its seat, (14). The fuel level is determined by the float, (17). The float chamber is vented to the atmosphere at (4).

        When the starter valve (7) is opened, the fuel, set by the jet (12) enters the emulsion tube (11), where it mixes with the air from the channel (16), the mixture passing into channel (6) mixing further with air from hole (5). Arriving at the valve chamber (8), the mixture spreads into the two channels (9) that flow into the main barrels (10), downstream of the throttle butterfly (3). When the starter valve (7) is closed, the communication between the two main barrels and the starter device is disconnected and by means of the partition (18) the one of the two main barrels (10).

      Click For Full Size Image

      Idle (Fig. 3.)

        The fuel from the float chamber is set by the idle jet (20). This fuel mixes with the air from the emulsion tube (3) via the channels (19).

        The mixture then passes through the channels (21), to the adjustment screws (22), then having been metered, to the main barrels (10) downstream of the throttle valves (13).

      Progression (Fig. 3.)

        At the opening of the throttle valves (13) during the passage from idle to main, the mixture arrives at the main barrels (10) via the progression holes (23).

      Click For Full Size Image

      Acceleration (Fig, 4.)

        When the throttle valves (13) are opened, the lever (28) attached to linkage (27), pushes a rod (29) and spring (34), this is turn actuating a lever (32) thus operating the diaphragm (31). The diaphragm is held in position by a spring (30).

        The diaphragm pumps fuel in two separate circuits through the delivery valves (24) and the pump jets (26) , then to the main barrels (10) when the throttle valves are closed, the diaphragm returns to its off position, pushed by the spring (30), sucking fuel from the float chamber via valve (25) during this operation. The nuts (33) are used to adjust the pump capacity.

      Click For Full Size Image

      Main (Fig. 5).

        When the throttle valves (13) are opened, the fuel from the float chamber, set by the jets (37), enters the emulsion tubes (36) and mixes with the air set by the calibrating orifice (35). The mixture thus made, enters the channels (39), passes to the auxiliary venturi (38) where further mixing with air from the main intake, the mixture passes to the main barrels (10).

      Click For Full Size Image

      Synchronization (Fig. 6.)

        To obtain correct synchronization of the carburetters, the following procedure is recommended:
        1. Disconnect the accelerator control cable from the lever (1) at the rear carburetter.
        2. Release the adjustment screw (2) for the throttle valves making contact with the end of the lever (3).
        3. Release the screw (4) in lever (5) to ensure that when pressure is applied to lever (1) on rear carburetter, perfect closure of all throttle valves in both the front and rear carburetters is achieved.
        4. Still keeping the same pressure on the lever (1) adjustment screw (4) to hold lever in that position. The throttle valves should all close perfectly.
        5. Give ONE FULL TURN to screw (2) so that it is now in contact with the lever (3).
        6. Fully close the mixture screws (6), then 'BACK OFF' 2 FULL TURNS.
        7. Re-connect the accelerator cable to its lever. (1).
        8. Start the engine and allow to reach its normal operating temperature. Using the adjustment screw (2), adjustment screw (2) adjust the engine speed to the r.p.m. given in 'TECHNICAL DATA'. If the engine now runs irregularly, adjust the mixture screws (6) on each barrel, to obtain regular running on all barrels. Turning the screws INWARDS WEAKENS the mixture, whereas turning the screws OUTWARDS RICHENS the mixture.
        9. Using the screw (2), readjust the engine speed.

      Click For Full Size Image

      Checking the Float Chamber Level (Fig. 7)

        Hold the float chamber cover in the vertical position1 with the floats hanging down. The tab should be in light contact with the needle.
        The distance between floats and cover (Dimension 'A') including gasket should be 14.5 - 15 mm. If necessary, bend the needle valve tab to achieve this dimension.

      CARBURETTER FAULT FINDING.

        It is assumed that all engine mechanical and/or ignition faults have been corrected, therefore. ONLY possible carburetter faults will be listed below.

          Fuel Leakage:
          Possible Cause. Suggested Remedy
          1. Float needle valve dirty, or worn, or
          valve seat loose on its thread.
          Thoroughly rinse clean filter and valve.
          Fully tighten the valve seat.
          2. Float not free (tight on its hinge, or rubbing on sides),
          or heavy.
          Fit new float assembly.
          3. Fuel feed pipes loose; or broken. Tighten pipes and unions, or replace.
          4. Gaskets hardened, perished or loose. Fit new gaskets.
          5. Torn or punctured pump diaphragm. Replace diaphragm.

          Cold Start Difficulties.
          Possible Cause. Suggested Remedy
          1. Abnormal level of petrol in float chamber Check float level.
          2. Starting device actuating cable not sliding freely,
          broken or unattached.
          Replace the cable.
          3. Strangler valve seized. Free strangler valve.
          4. Starter jet dirty. Clean, or replace jet.

          Irregular Firing of Engine.
          Possible Cause. Suggested Remedy
          1. Incorrect adjustment of mixture screws. See 'Synchronization'
          2. Idling jet dirty or loose. Clean and tighten.
          3. Progression holes, or idling circuit ducts blocked. Thoroughly clean all orifices and ducts.
          4. Air leak from mounting flange. Replace gaskets and fully tighten screws.
          5. Throttle spindle leaking air through its bearings. Replace spindle and bearings.
          6. Throttle valves, or their control, not moving freely. Free throttle valves and throttle spindle.

          Vehicle Not Attaining Maximum Speed, or Lacking Hill Climbing Power.
          Possible Cause. Suggested Remedy
          1. Main jet, power jet, emulsion calibrating orifice or
          emulsion tube blocked or loose.
          Check, clean or replace defective parts.
          2. Throttle valve not fully opening. Check throttle valve and linkage.

          Insufficient Acceleration Mainly in Top Gear.
          Possible Cause. Suggested Remedy
          1. Accelerator pump defective, or faults in its circuit. Thoroughly overhaul pump and its circuit.
          2. Emulsion tube blocked or defective in other ways. Replace emulsion tube.
          3. Strangler valve seized. Free strangler valve.
          4. Starter jet dirty. Clean, or replace jet.

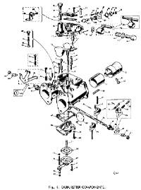
Click For Full Size Image

Key to Fig. 8. - CARBURETTER COMPONENTS. Editor note: See the parts manual for a clickable exploded drawing. [JJ]

1. 	Choke                                   	46.	Stud
2.      Inner venturi                                  	47.   	Spring
3.      Main jet                                      	48.   	Screw
4.      Slow running jet                              	49.   	Lever
5.      Pump jet                                    	50.   	Split pin
6.      Starter jet                                   	51.   	Spring
7.      Main emulsion tube                            	52.   	Pin
8.      Starter emulsion tube                         	53.   	Screw
9.      Air corrector jet                             	54.   	Spring
10.     Slow running air corrector jet                	55.   	Throttle lever
11.     Needle valve assembly                          	56.   	Throttle spindle
12.     Float assembly                                 	57.   	Bearing
13.     Plug )      starter washer                    	58.   	Washer
14.     Spring )                                       	59.    	Spacer
15.    	Starter valve                                  	60.    	Tab washer
16.     Float chamber cover                            	61.    	Nut
17.     Gasket, float chamber cover                    	62.    	Throttle valve
18.     Seal, needle valve assembly                    	63.    	Screw, throttle valve
19.     Jets cover                                     	64.    	Setscrew, pump body
20.     Setscrew, jets cover                          	65.    	Pump, suction valve
21.    	Spring washer                                	66.    	Pump body
22.     Setscrew                                       	67.    	Gasket
23.     Spring washer                                  	68.    	Setscrew
24.     Gasket, jets cover                             	69.    	Pump cover
25.     Setscrew                                       	70.    	Pump diaphragm
26.    	Washer                                        	71.    	Spring
27.     Sleeve nut                                    	72.    	Nut
28.     Spring, lever                                  	73.    	Sleeve nut
29.     Distance piece                                	74.    	Spring
30.     Spring washer                                  	75.    	Washer
31.     Nut                                            	76.  	Split pin
32.     Starter spindle                               	77.    	Adjusting screw
33.    	Waved washer                                   	78.    	Plug
34.     Sleeve nut                                     	79.    	Sealing plug
35.     Lever                                          	80.    	Delivery valve      )
36.     Banjo union, front carburetter                 	81.    	Weight              ) Pump
37.     Pin                                            	82.    	Plug                )
38.     Seal                                           	83.   	Throttle speed lever
39.     Banjo union, rear carburetter                  	84.   	Adjusting screw
40.     Filter       )                                 	85.    	Seal    )
41.     Seal         ) Banjo union               	86.    	Seal    ) Pump jet
42.     Banjo bolt   )                                	87.    	Plug    )
43.	Seal                                          	88.    	Lever
44.     Grub screw    ) Retaining venturi              	89.    	Screw, lever
45.     Nut           )                               	90.    	Lever

L.8. - DELLORTO CARBURETTERS - REMOVAL - ADJUSTMENT - Section Menu


    To Remove.
    1. Release the clip securing the air cleaner trunking to the air box. Remove the bolts visible in the air box and pull off outer half of box.
    2. Release the throttle return spring and throttle cable. Disconnect the fuel supply pipes at the carburetters. Remove the choke cable.
    3. Progressively release the nuts securing the carburetters to the engine (four are visible from above, the other four being below). Remove nuts and washers.
    4. Carefully remove the two carburetters as an assembly, ensuring that the synchronizing linkage between the two is not distorted. Remove the spacers with their 'O' rings from the mounting studs.

    To Replace.
    1. Ensure that the spacers and 'O' rings are in good condition - the slightest mark will result in an air leak which will seriously affect the efficient running of the carburetters. Fit the spacer assemblies to the mounting studs.
    2. Fit the carburetters as an assembly, ensuring that the synchronizing linkage has not been disturbed. To each mounting stud fit a double coil spring washer, a plain washer and nut. Tighten the eight nuts progressively until a .050 in. (1.27 mm.) clearance exists between the coils of the double coil spring washers. Check the clearance with feeler gauges. Do NOT over tighten the nuts otherwise the 'O' rings will be flattened into the recesses of the spacer plates, but more important, with the carburetters rigidly mounted, frothing will occur in the float chambers.
    3. Refit the fuel supply pipes to the carburetters. Reconnect the choke control, throttle cable and throttle return spring.
    4. Ensure that the gasket is in good condition between the two halves of the air box, then refit outer half. Reconnect the air trunking to the air box.

    To Adjust.
      The only adjustments required are synchronization, mixture strength and idling speed. These adjustments are covered in Section 'L.7' under the sub-heading 'Synchronization' Fig.6.

L.9. - ZENITH STROMBERG CARBURETTERS - DESCRIPTION - Section Menu

    Cars destined for use in North America and other Territories where Exhaust Emission Laws are in force, are equipped with Zenith Stromberg carburetters.

    Zenith Stromberg carburetters are developed from the CD (Constant Depression) carburetters, which operate on the principle of varying the effective area of the choke and jet orifice, in accordance with the degree of throttle opening, engine speed and engine load.

      Click For Full Size Image

      Operation.

        The petrol inlet is a parallel tube, which accommodates a flexible fuel pipe, situated to one side of the main body.
        Fuel passes into the float chamber, via a needle valve, where the flow is controlled by the needle in the valve and twin floats mounted on a common arm.
        As the fuel level rises, the float lifts and by means of the float arm and tag, closes the needle onto its seating when the correct level has been attained.
        When the engine is running, fuel is drawn from the float chamber, the float descends and more fuel is then admitted through the needle valve.
        In this manner, the correct level is automatically maintained, the whole of the time the carburetter is in action.
        Fuel in the jet orifice is maintained at the same level as that in the float chamber by means of cross drillings in the jet assembly.
        Special features of Emission carburetters ensure that they exactly match one another in respect of flow.
        Clearance around the piston in its vertical bore permits additional air to 'leak' into the mixing chamber and lower depression.
        The first special feature therefore is the manufacturing tolerance compensator or leak balancing screw.
        A drilling is taken from the atmospherically vented region beneath the diaphragm to meet a further drilling that breaks into the carburetter mixing chamber downstream of the air valve, in order to introduce an 'air leak'.
        An adjusting screw with conical tip is inserted into the drilling to the mixing chamber.
        This is capable of ether completely blanking off the air bleed of permitting flow adjustment to maximum affective diameter of the air bleed.
        When set, the balancing screw is sealed with a plug, which MUST NOT in any circumstances be tampered with in service.
        It is essential therefore NOT to change the main body, cover or air valve, after the balance screw has been set and sealed.

        Click For Full Size Image
        Exhaust Emission carburetters differ slightly from the non-emission type in that the fuel/air mixture is supplied DRY to the cylinders, thus avoiding the deposition of wet fuel in the induction manifold, this being the prime cause of excessive carbon monoxide and hydrocarbon emissions.
        To achieve dry mixture, the induction manifold requires a heated conditioning chamber.
        Zenith Duplex employs a main and subsidiary gallery from carburetter to engine.
        The latter branches from the main gallery, adjacent to the carburetter, conducting the mixture through an exhaust heated conditioning chamber and back into the main gallery.
        The subsidiary is of smaller cross-sectional area than the main gallery.
        Two throttles are, therefore employed, primary and secondary, the primary controlling mixture supplied via the subsidiary gallery.
        The flow capacity of the primary system is sufficient for idling, acceleration up to approximately 50 m.p.h. (80 k.p.h.), over run and cruising conditions.
        At the operating point where the primary system begins to impose a significant flow restriction to the engine, a mechanical linkage picks up the secondary throttle and mixture is then supplied through the main gallery.
        In this manner the primary system is bypassed and flow conditions similar to an untreated engine are restored.
        As well as the modified induction system a special distributor is necessary.
        This is equipped with a vacuum retard capsule arranged to operate only when the throttles are closed: that is on idle and over run.
        This is actuated by a valve attached to the rear carburetter which, when depressed by the throttle lever, connects the distributor to manifold depression.

      Cold Starting.

        Click For Full Size Image
        When the choke control of the facia panel is pulled out, it operates a lever at the side of both carburetters; this rotates a disc in the starting device in which a series of holes of different diameters are drilled.
        In the full rich position, all holes will be in communication with the starter circuit and provide the richest mixture.
        Petrol is drawn from the float chamber via a vertical drilling adjacent to the central main feed channels, through the starting device and into the throttle body between the air valve and the throttle plate.
        Simultaneously, the cam on the starter lever will open the throttle beyond the normal idle position, according to the setting of the fast-idle stop screw to provide a faster idle speed to prevent stalling when the engine is cold.
        As the choke control on the facia panel is gradually released, few and/or smaller holes will provide the petrol feed from the float chamber, thereby progressively weakening the mixture strength to the point where the choke control is pushed fully home.
        Mixture strength is then governed by the Factory setting of the main orifice and idle speed determined by the setting of the throttle stop screw.
        NOTE: Do not pump, or hold open the throttle as this reduces the effectiveness of the cold start device (choke).

        Click For Full Size Image
        It is also important to note that there are two positions (winter and summer) on the starting limit pin.
        This is the spring-loaded, knurled headed pin located on the side of each starter housing.
        Push down and turn through 90° by the screwdriver slot provided.
        In the 'winter' position the slot will be horizontal when viewed from the side of the car, whereas in the 'summer' position the slot will be vertical.


      Idling.
        Fuel for idling is provided by the jet orifice, the amount being controlled by the jet/needle relationship established during manufacture.
        Idle speed is regulated by adjustment of the throttle stop screw, which limits the closure of the throttle when the accelerator pedal is released.
        An idling trimming screw is provided but THIS IS NOT AN ORDINARY MIXTURE ADJUSTING SCREW.
        The purpose of this screw is to give a very fine adjustment to compensate for the difference between a new 'stiff' engine and one that is run in.
        It will be seen that the idle trimming screw regulates a limited amount of air (limited by the size of the drilling) that can be introduced into the mixing chamber.
        When the engine is new, a slightly weaker mixture can be used and the trimming screw will therefore, be set initially to provide maximum air to the mixing chamber.
        As the engine loosens during the running-in period, this screw can gradually be turned in a clockwise direction to reduce the air bleed until, when fully turned in, the screw will be seated.
        It should be noted that to the ear, there may be no detectable difference between fully 'home' and fully 'open' positions, therefore, it should be adjusted to achieve the best drivability.
        Should idling quality deteriorate during the running-in period, the screw should be rotated clockwise slowly until smooth idling is just restored.
        If it is not possible to obtain satisfactory quality when the screw is fully home, the manifold to carburetter joints should be checked as a leak is probably occurring.
        ON NO ACCOUNT SHOULD THE SCREW BE OVER - TIGHTENED.
        Check also that the choke cable returns the cold start lever to the fully off position when choke control is pushed in.
        Adjust coupling and cable as necessary.

      Normal Running.
        Mention has been made of the jet/needle relationship, which together govern correct idle mixture and mixture strength throughout the range.
        One feature of the assembly' is the radially located needle which is biased so that the needle is permanently in contact with one side of the jet, to ensure a consistent fuel flow from a given needle profile. The jet/needle relationship is set during production and MUST NOT be altered.
        When the throttle is opened, air flow under the air valve increases and a temporary rise in mixing chamber depression is transferred via drillings in the air valve to the depression chamber which is sealed from the main body by a diaphragm.
        Pressure difference between the depression chamber and the under diaphragm chamber causes the air valve to lift.
        Thus any "increase in engine speed or load will enlarge the effective choke area until maximum air valve lift, since the air valve lift is proportional to the weight of air passing beneath it.
        Therefore, air velocity and pressure drop across the jet orifice remain approximately constant at all speeds.
        As the air valve rises, it withdraws the tapered metering needle held in its base from the jet orifice, so that fuel flow is increased proportionate to the greater air flow.
        The metering needle is a variable and machined to very close limits. It provides a mixture ratio for all speeds and loads in line with engine requirements that are determined by exhaustive tests on bench and road during original manufacture.
        To maintain correct results, it is essential that only the recommended needle is used.

      Temperature Compensator.
        Testing has shown the need for a temperature compensator, operating over a wide range of air valve lift, to cater for minor mixture strength variations caused through heat transfer to the carburetter castings.
        An air flow channel is employed which permits some of the air passing through the carburetters to by-pass the bridge section.
        With the introduction of this into the mixing chamber, the air valve, in order to maintain depression on its downstream side, rides in a lower position, thus giving a smaller fuel flow annulus.
        To adjust the quantity of air bypassed, a bimetallic blade is used to regulate the movement of a tapered plug.
        Two screws attach the temperature compensator assembly to the carburetter and two seals are provided to ensure that no leakage can occur at the joint with the main body.
        THIS ASSEMBLY IS PRE-SET AND MUST NOT BE RE-ADJUSTED IN THE FIELD.
        If it's suspected of malfunction and the tapered plug moves freely when tested carefully by hand with engine both cold and hot, the compensator assembly should be changed for another of the correct specification.

      Acceleration.
        At any point in the throttle range, a temporary enrichment is needed when the throttle is suddenly opened.
        To provide this, a hydraulic damper is arranged reside the hollow guide rod of the air valve.
        The rod itself is filled with suitable oil (see Section 'O') to within a ¼ inch (6.35 mm) of the end of the rod.
        When the throttle is suddenly opened, the immediate upward motion of the air valve is resisted by the damper.
        For this brief period, a temporary increase in the depression over the jet orifice is achieved and the mixture is enriched.
        Downward movement of the air valve is assisted by a coil spring.

      Flexible Carburetter Mounting.
        When assembling the adaptor flange/carburetter to the adaptor blocks, the 'O' rings should be located carefully and the nuts should be adjusted to give an even gap of .070 in.(1.78 mm) between these parts.
        Care should be taken not to over tighten the nuts as this could distort the adaptor flange.
        Check the clearance at every 'A' Service (see Section 'O').

      Throttle By-pass Valve.
        In running experimental Emission Test Cycles, which include two over-run modes, it was shown that rates of hydrocarbon and CO emission are extremely high when manifold depression exceeds 22 in. - 23 in. Hg, the precise critical figure varying with different engines.
        To prevent rise in excess of the critical figure, therefore, a throttle by-pass valve (97 of Fig. 13) is incorporated in CDSE carburetters.
        This valve is pre-set and provided that it is free from air leaks, should not require attention.
        It is possible, however, that small particles of foreign matter may lodge under the valve seating, causing leakage and consequently high idle speed.
        In these circumstances, the valve cover should be removed, the valve and seating cleaned and the parts re-assembled.
        It is important not to vary mixture ratio when the by-pass valve is in operation and the circuit, shown on the diagram, feeds from the mixture chamber to the downstream side of the primary throttle.
        Manifold depression acting on the valve diaphragm will cause the valve to open when a value is reached that will overcome the coil spring tension.

      Ignition Retard Capsule.
        As an aid to emission control on idle and over-run and also as an engine brake to partially compensate for the throttle by-pass, an ignition retard capsule is fitted to the distributor.
        This is operated by the manifold depression through a valve mounted on the rear of the rear carburetter.
        This valve connects manifold depression to the distributor only when the throttles close.
        When the throttles open the valve seals the manifold tapping and vents the distributor to atmosphere.
        Consequently, the depression pipes must be fitted to the correct spigots on this valve.
        The bottom spigot connects to the distributor retard capsule.
        The adjusting screw on the rear carburetter is factory set, but should it be disturbed, reset to give approximately 3/32 in.(2.4 mm) movement on the valve plunger when the throttles are closing and approximately 1/64 in .(.4 mm) free play on the plunger when the throttles are closed.
        All pipe connectors must be air tight.

      Float Height.
        When correctly set and with the carburetter inverted, measure to the highest point of the floats above the face of the main body with the fuel inlet needle on its seating.
        The correct measurement is 16 to 17 mm. Great care must be taken NOT to twist or distort the float arms, this to ensure a correct fuel level.
        Should it be necessary to reset the float height, this can be carried out by bending the tag which contacts the end of the needle.
        Care should be taken to maintain the tag at right angles to the needle in the closed position.

L.10. - ZENITH STROMBERG CARBURETTERS - REMOVAL & RELPACEMENT - Section Menu

    To Remove.

    1. Release the clip and disconnect the air cleaner trunking from the air box. Remove the bolts securing the air box to the carburetters and remove box together with the two gaskets.
    2. Disconnect the throttle and choke cables. Remove the fuel supply pipe at the 'T' piece junction (located between carburetters.).
    3. Progressively release the carburetters securing nuts (four are visible from above, the other four being below). Remove nuts and washers.
    4. Carefully remove the two carburetters as an assembly, ensuring that the synchronizing linkage between the two is not distorted. Pull off the gaskets.
    5. If it is suspected that an air leak is evident between the adaptor flange and the adaptor blocks, the 'O' ring may be damaged, then the flanges should be removed by releasing their securing nuts. When replacing, always use new 'O' rings and adjust securing nuts as given under 'Flexible Carburetter Mounting', (Section 'L.9'.).

    To Replace.
    1. Using new gaskets (after ensuring no traces of old gaskets remain on mating faces) fit the carburetters as an assembly, tightening their securing nuts progressively to avoid possible distortion of the mounting faces.
    2. Reconnect the throttle and choke cables to their respective locations. Replace the fuel supply pipe at the 'T' - piece junction.
    3. Using new gaskets, refit the air box. Replace the air trunking between air box and air cleaner.

    Click For Full Size Image

    Key to Fig. 13. - CARBURETTER COMPONENTS. Editor note: See the parts manual for a clickable exploded drawing. [JJ]

    1. 	Needle                 	37.	Spring                	77.	Mounting plate
    2.   	Air valve             	38.   	Throttle stop lever  	78.   Stud
    3.   	Locking screw          	39.   	Fast idle screw       	79.   Lock washer
    4.   	Diaphragm              	40.   	Locknut              	80.   Screw
    5.   	Retaining ring         	41.   	Lock washer            	81.   Spindle, rear throttle
    6.   	Screw                 	42.   	Sleeve nut             	82.   Spring
    7.   	Air valve spring       	43.   	Coupling               	83.   Throttle stop lever
    8.   	Top Cover             	44.   	Plate                 	84.   Fast idle screw
    9.   	Top cover screw      	45.   	Screw                 	85.   Lock nut
    10.  	Seal                   	46.   	Sleeve                 	86.   Lever mounting plate
    11.  	Retaining ring         	48.   	Spacer washer          	87.   Throttle lever
    12.  	Bushing                	49.   	Lock washer            	88.   Gasket
    13.  	Washer                 	50.  	 Sleeve and plate      	89.   Valve body
    14.  	Damper                 	52.   	Clip                  	90.   Diaphragm
    16.  	Throttle screw        	53.   	Spring                 	91.   Spring
    17.  	Spindle, front throttle	55.   	Spring                	92.   Sleeve nut
    18.  	Throttle               	56.   	Pin                   	93.   Gasket
    19.  	Lever, throttle        	57.   	Housing, starter     	94.   Retaining screw
    20.  	Tabwasher              	58.   	Housing screw          	96.   'C)' ring
    21.  	Plate                	59.   	Housing assembly       	97.   Throttle by-pass valve
    22.  	Spacer             	60.   	Starter cam            	98.   Retaining screw
    23.  	Lock washer           	61.   	Spacer                 	99.   Retaining screw
    24.  	Washer                	62.   	Lock washer          	100.  Adjusting screw
    25.  	Lock washer           	63.   	Nut                   	101.  Springs adjusting screw
    26.  	Nut                   	64.   	Label               	103.  Screw, body
    27.  	Plug                   	67.   	Float and arm         	104.  Screw, cover
    28.  	Screw                  	68.   	Gasket                	105.  Cover
    29.  	Body, front carburetter	69.   	Gasket                 	106.  Body
    30.  	Body, rear carburetter	70.   	Needle seating        	107.  Valve
    31.  	Spring                	71.   	Fulcrum pin           	108.  Bi-metal strip
    32.  	Throttle stop screw    	72.   	Float chamber          	109.  Nut
    33.  	Plate                  	73.   	Screw                  	110.  Screw
    34.  	Clip                 	74.   	Screw                  	113.  Gasket
    35.  	Screw                  	75.   	Screw                  	114.  Gasket
    36.  	Bush                	76.   	'O' ring
    

L.11. - ZENITH STROMBERG CARBURETTERS - ADJUSTMENT - Section Menu

    To Adjust.

      The only adjustments that can be made to these carburetters in service are:
      1. Idle speed. Adjusted by rotation of the throttle stop screw.
      2. Idle mixture. Adjusted over very Fine limits by trimming screw for best quality idle and drivability. THIS IS NOT A NORMAL ADJUSTMENT. Variations are very slight indeed.
      3. Synchronization.

    1. Fast Idle.
        The fast idle screw incorporated in the cold start devices is factory set and should not need attention. Should it be disturbed at any time reset as follows:
          The throttle plate should be held open a fixed amount by laying a drill (size .6mm) in the bottom of the port directly below the spindle.
          With the starter in the full enrichment position the fast idle screw should be adjusted until it touches the fast idle cam.
          Lock securely with lock nut and remove drill.
          The carburetters must, of course, be removed from the engine for this operation.

    2. Synchronization.
        When the carburetters, adaptor flanges and adaptor blocks have been assembled to the cylinder head, leave the clamping screws on the 'W' clips loose until the carburetters have been synchronized and the throttle lever set.
        Unscrew the throttle stop screws to permit the throttle in each carburetter to close completely, then screw in the throttle stop screws to the point where the ends of the screws are just touching the levers.
        From this point rotate the stop screws 1½ complete turns each, to open the throttles an equal amount and provide a basis from which the final speed of idle can be set.
        Ensure fast idle screw is clear of cam otherwise incorrect synchronization can result.
        Check also that the cold start lever is fully off against the stop with the choke control pushed in.
        Adjust coupling and cable as necessary.
        Start engine and warm up to normal temperature.
        With the airbox off check synchronization by either:

          Tube to ear method:
            Insert one end of a tube in the choke of the carburetter and note the hiss heard at the other end.
            Repeat this for the other carburetter and adjust the throttle stop screws until both hisses are of equal volume and the idle speed is as given in 'TECHNICAL DATA'.
            NOTE: There is no mixture or volume screw only an idle trimming screw, the function of which has already been described.

          Crypton Synchro (or similar) Test:
            These are proprietary instruments, which give a measure of air flow when pressured against the inlet of the carburetter.
            When doing this take care not to lock the screws until equal airflows are obtained and the idle speed is correct.

        NOTE: As this system incorporates a balance pipe, carburetters CANNOT be synchronized by shorting out spark plugs and noting the drop in engine speed. Fit the air box, etc. and recheck idle speed.

    3. Throttle Lever Setting.
        There is a lost motion built into the throttle lever and coupling spindle assembly to allow the throttle spindle to turn when the cold start and hence the fast idle is operated without pulling the throttle cable return spring.

        NOTE: Idle quality and low speed running depend to a large extent upon the general condition and it is, therefore, essential to check cam followers adjustment, spark plugs and ignition timing if idling is unstable.
        It is also important to eliminate any leaks at manifold joints.

L.12. - ZENITH STROMBERG CARBURETTERS - CLEANING - Section Menu

    To Clean.

    1. Remove the carburetters from the engine (Section 'L.10') to a clean bench.
    2. Yellow Service Every 20,000 kilometres (12,000 miles). For this service, one Yellow Pack 'A' is required for each carburetter. This pack contains 1 float chamber gasket, 1 'O' ring for float chamber plug, 1 needle valve washer and 1 manifold/carburetter gasket.
    3. Remove carburetters, place on a clean bench to keep the parts free from contamination and disconnect one carburetter from the other.
    4. Have a receptacle available into which fuel from each float chamber may be drained, then unscrew brass centre plug to carry out this operation.
    5. Unscrew the float chamber fixing screws, taking care not to lose the washers and withdraw float chamber vertically away from body to clear the float mechanism. Take off float chamber gasket. Unclip float pivot pin and, noting carefully tile top in order to ensure correct re-assembly, take out floats. Unscrew hexagon bodied needle valve from carburetter body.
    6. Take off 'O' ring from centre plug then thoroughly cleanse ail parts that have so far been removed.
    7. Refit needle valve into float chamber cover with new washer (thickness 1.6 mm) and make sure it is screwed tightly into position.
    8. Replace float assembly, after inspecting for damage or distortion, slide in pivot pin and clip assembly into position. (see Float Height in Section 'L.9.')
    9. With the new gasket in position, refit float chamber and tighten the retaining screws securely from centre, outwards. Fit new 'O' ring to centre plug and replace tightly in position. Refit carburetters to adaptor flange with new gaskets supplied.
    10. Top up damper reservoirs with the recommended oil (see Section 'O') to within ¼ in. (6.35 mm.) of top of centre rod.
    11. Refit carburetters and reset controls as described in Section 'L.9.'

L.13. - ZENITH STROMBERG CARBURETTERS - OVERHAUL - Section Menu

    Overhaul.

    1. Remove the carburetters from the engine (Section 'L.10') to a clean bench.
    2. Red Service Every 40,000 kilometres (24,000 miles). This is a more comprehensive service for which one Red Pack 'B' is required for each carburetter. This pack contains 1 float chamber gasket, 1 'O' ring, 1 needle valve, 1 diaphragm, 2 throttle seals, 2 temperature compensator seals, 1 flange gasket.
    3. Remove carburetters from induction manifold, check carburetter induction flanges for flatness and face-up if necessary. Carry out similar procedure to that outlined for the 10,000 miles service in respect of float chamber cleanliness and float setting. In this instance, however, fit the new needle valve assembly with a new washer.
    4. Unscrew damper assembly from centre of cover. Unscrew the four cover fixing screws and carefully lift off cover. Remove air valve return spring then take out air valve and diaphragm assembly. Avoid possibility of corrosion to shaft from perspiration of hands by lifting upwards with the diaphragm.
    5. Drain oil from damper reservoir (centre of guide rod). Slacken metering needle clamping screw and withdraw metering needle from air valve. Place this carefully to one side to avoid damage.
    6. To fit the new diaphragm, undo the four screws holding the diaphragm retaining ring onto valve, making sure that the locating tag is recessed into the aperture provided. Drop in retaining ring and replace the four fixing screws tightly.
    7. Take metering needle and check spring action in the housing at the top of the shank. Fit metering needle into base of air valve, lining up the flat portion with the locking screw. Using a straight edged strip placed lightly against the small shoulder on the needle, press the assembly into the air valve until the strip aligns the shoulder with the flat surface of the air valve. The locking screw should then be lightly tightened taking care not to collapse the needle housing. Shoulder alignment is extremely critical and this operation should be accurately carried out. Correctly fitted, the needle will be biased toward the throttle and the shoulder of the needle will be exactly flush with the air valve face. To check that the correct needle is fitted, hold the housing and CAREFULLY pull out the needle. The needle part number can then be seen on its shank.
    8. Carefully enter air valve and diaphragm assembly into the main body, guiding the metering needle into the jet with a finger in the air intake. Locate the outer tag of diaphragm in aperture of top of body.
    9. To check assembly, look down centre of air valves to see that the two depression transfer holes are parallel to the throttle spindle and that the metering needle is also biased towards the throttle.
    10. Replace the air valve return spring.
    11. When refitting the cover, hold the air valve with finger or thumb in air intake and slide on cover, locating the screw holes. This method will avoid air intake. Tighten the four cover screws evenly than check movement of air valve. Freedom of movement over the full travel is essential and, when released from uppermost position, the air valve should fall with a sharp metallic click onto the carburetter bridge.
    12. Top up damper reservoirs with the recommended oil (see Section 'O') to within ¼ inch, (6.35 mm.) of top of centre rod.
    13. Undo the two screws, which retain the temperature compensator unit to the main body of the carburetter and withdraw the assembly. Take out the inner seal from carburetter body and remove outer seal from the valve. Change both seals and refit the assembly to the carburetter tightening the two retaining screws evenly.
    14. Take off the compensator cover by removing the securing screws and check for free movement of the valve by lifting off its seat. On releasing, the valve should return freely. Do not stain the bi-metal blade or attempt to alter the adjustment. Provided the valve is free, replace cover and fit screws.
    15. Release the screws securing the throttle by-pass body and remove body and gasket Discard the gasket. While the by-pass body is removed, replace the primary throttle spindle seals. Replace throttle by-pass body and gasket after fitting new seals.

      Click For Full Size Image

    16. To replace the throttle spindle seals, first take off any levers fitted to the spindle ends then carefully prise out the old seals noting how they are fitted. Slide new seals along spindle and press into body recess using Lotus Tool T.339.
    17. Refit carburetters and reset controls as described in Section 'L.9.'

    Special Parts.

      Although already covered, it is thought worthwhile to repeat the items, which must not be changed or adjusted in service.

        Items that must not be changed.
        1. The jet assembly.
        2. The air valve.
        3. The depression chamber cover.

        Items that must not be adjusted.
        1. The position of the metering needle.
        2. The temperature compensator.
        3. The air valve return spring loading.

        If any of the above items require changing or adjusting with the exception of 'f' the subassemblies or the complete carburetter must be returned for re-setting.
        In the case of 'd', it is permissible to replace the metering needle provided that the procedure given is followed absolutely, and the correct type ONLY used.

    Air Valve/Diaphragm Assembly.
      A bead and locating tab is moulded to both the inner and outer radii of the diaphragm to ensure correct positioning of this item.
      The diaphragm is secured to the air valve by a ring and screws with lock washers and it is necessary to ensure the bead is correctly located and the screws fully tightened.
      Location for the bead and tab on the outer radii of the diaphragm is provided by a location channel at the top of the main body.
      It is important that location beads and tabs are accurately positioned.
      When refitting the suction chamber cover, place it accurately so that the screw holes line up with those in the main body, as this will prevent any disturbance of the located diaphragm.

    Air Valve Rod and Guide.
      The air valve rod and guide must be kept clean and should not be handled unduly if corrosion is to be avoided.
      A few drops of oil (see 'Data') should be applied to the rod before fitting.

    Float Chamber Removal.
      To prevent the leakage of petrol from the float chamber, a rubber 'O' ring is situated between the jet cover and the float chamber spigot boss.
      Care should be taken when removing the float chamber to avoid damage to the faces and floats.

    Carburetter Fault Finding.
      It is assumed that all mechanical and/or ignition faults have been corrected, therefore, ONLY possible carburetter faults will be listed.

        Erratic or Poor Idling.

        1. Incorrect fuel level caused by maladjusted floats and/or worn or dirty needle valve.
            Check float height and wash needle valve in clean methylated spirits or alcohol.
            Replace needle valve if worn.
            Check also that floats are not punctured.
        2. Throttles not synchronized. Re-set correctly.
        3. Air valve sticking.
            Check free movement of spring-loaded metering needle, clean air valve rod and guides.
            Lubricate air valve rod and guide with a few drops of light oil.
        4. Metering needle incorrectly fitted.
            See that shoulder of needle is flush with face of air valve and that the needle is biased towards the throttle.
            Also, check identification to ensure correct needle fitting.
            Check that needle housing has not been distorted by overtightening retaining screw.
        5. Partially or fully obstructed diaphragm and float chamber ventilation holes. [1]
            Check that air box is correctly fitted and that gaskets are not causing obstruction.
        6. Diaphragm incorrectly located or damaged.
            Check location with depression chamber cover removed.
            The two depression holes at the base of the air valve should be in line with and towards the throttle spindle.
            Renew diaphragm if damage is evident.
            When replacing depression chamber cover, the damper ventilation boss must be towards the air intake.
        7. Temperature compensator not operating correctly.
            With the engine and carburetters cold, remove cover from temperature compensator assembly.
            Tapered valve should be seated in this condition.
            Check operation by carefully lifting the valve off its seat; when released, the valve should return freely.
            If any damage should have occurred that prevents the mechanical operation functioning correctly, the compensator unit should be changed.
        8. After reasonable service, inspect throttle spindle seals and throttle spindle for fracture and wear respectively.
            Replace if necessary.
        9. Leakage at induction manifold joints.
            Remake joints facing-up flanges as required.
            Check that 'O' ring, adaptor flange block and balance pipe 'O' rings are correctly located.

        Hesitation or Flat Spot.

          Possible causes are given for 'Erratic or Poor Slow-Running' but with the addition of the following:
          1. Damper inoperative. Check oil level and top up with oil (see Section 'O').
          2. Air valve return spring missing or incorrect part fitted.

        Heavy Consumption.

          Here again, any points that have been covered under the two previous headings can contribute to heavy fuel consumption.
          Ensure choke cable returns the cold start lever to the fully off position when choke control is pushed in.
            Adjust coupling and cable as necessary.
          Additionally, check that there is not a fuel leak from the float chamber joints.

L.14. - AIR CLEANER - Section Menu

    The intervals at which the air cleaner will require attention vary in accordance with the operating conditions.
    In towns and areas where the roads are relatively dust free, the intervals given in Section 'O' should be adhered to but, in areas where the atmosphere is smoke or Fog-laden, or where the roads are unmetalled, attention will be needed at more frequent intervals.

    Click For Full Size Image
    To Renew Element.

    1. Release the clips securing the air trunking to the air cleaner from the airbox.
      Pull off air trunking.
    2. Remove the wing-nut situated on the wall of the luggage compartment. This nut secures the front flange to the body.
    3. Discard the old element with its sealing rings. Clean the inside of the body and front flange of any accumulated dust and dirt.
    4. Place a rubber sealing ring (supplied with the new element) at either side of the element, fit element assembly into cleaner body, fit front flange and secure whole with the wing-nut.
    5. Replace air trunking between air cleaner and airbox, securing with its clips.

L.15. - 1972 EVAPORATIVE LOSS CONTROL (EXHAUST EMISSION) - Section Menu

    Click For Full Size Image

    To eliminate fuel vapourization into the atmosphere and thus comply with the 1972 U.S. Federal Motor Vehicle Safety Standards, and 'evaporative circuit' has been incorporated into the fuel system.

    The evaporative loss control system consists basically of an activated charcoal canister, which collects the fuel vapour given off from the fuel tank vent.
    Additional to the fuel tank is a catch tank, which cannot be filled through the main tank fuel filler neck.
    This catch prevents neat fuel from reaching the charcoal canister in conditions of extreme heat, or violent vehicle movements.
    The absorbed vapour in the charcoal is 'purged' by clean air while the engine is running, via throttle edge drillings (in the carburetter).

    The system is effectively maintained by renewing the charcoal canister at intervals of every 48,000 miles. (60,000 km.).

L.16. - CHOKE CONTROL - Section Menu

    To Remove.

    1. Disconnect inner cable at the carburetters then pull out from front of facia.
    2. The outer casing can be removed by first releasing it at the carburetter clamp, then releasing the locking ring from the front of the facia.

    To Replace
    1. Replacing both the inner cable and the outer casing is a reversal of the removal procedure, but noting that the outer casing is not fouling, or being fouled by other facia equipment behind the facia.
    2. Also check that the grommet is fitted correctly where the outer cable passes through the bulkhead.

L.17. - THROTTLE CABLE - Section Menu

    To Remove.

    1. Disconnect inner cable at the carburetters.
    2. From the footwell inside the car, release the split pin, pull out cother pin and pull cable from its location. Continue pulling to fully free the cable.

    To Replace.
    1. Replacing the inner cable can only be done by threading through the body apertures from inside the footwell.

Editors Notes:

    [1] Changed from number 3 to number 5 to continue from previous page. [JJ]

Other Notes: [edit]
This area is a public scratchpad for notes.
Please be courteous with what you post, and do not erase someone else's work.

Section Menu